EasyManua.ls Logo

Realtek RTL8201(L) - 9 Mechanical Dimensions

Default Icon
26 pages
Print Icon
To Next Page IconTo Next Page
To Next Page IconTo Next Page
To Previous Page IconTo Previous Page
To Previous Page IconTo Previous Page
Loading...
RTL8201(L)
2002-01-18 Rev.1.04
25
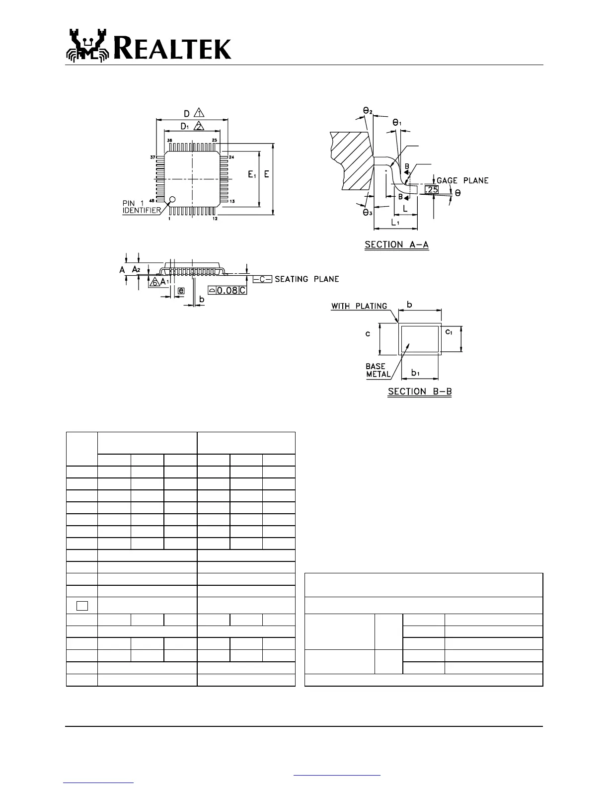
9. Mechanical Dimensions
Notes:
1.To be determined at seating plane -c-
2.Dimensions D1 and E1 do not include mold protrusion.
Symbol Dimension in
inch
Dimension in
mm
D1 and E1 are maximum plastic body size dimensions
including mold mismatch.
Minimal Nominal Maximum
Minimal Nominal Maximum
3.Dimension b does not include dambar protrusion.
A
- - 0.067 - - 1.70
Dambar can not be located on the lower radius of the foot.
A1
0.000 0.004 0.008 0.00 0.1 0.20
4.Exact shape of each corner is optional.
A2
0.051 0.055 0.059 1.30 1.40 1.50
5.These dimensions apply to the flat section of the lead
b
0.006 0.009 0.011
0.
15 0.22 0.29
between 0.10 mm and 0.25 mm from the lead tip.
b1
0.006 0.008 0.010 0.15 0.20 0.25
6.
A1 is defined as the distance from the seating plane to the
c
0.004 - 0.008 0.09 - 0.20
lowest point of the package body.
c1
0.004 - 0.006 0.09 - 0.16
7.Controlling dimension: millimeter.
D
0.354 BSC 9.00 BSC
8. Reference document: JEDEC MS-026, BBC
D1
0.276 BSC 7.00 BSC
E
0.354 BSC 9.00 BSC
TITLE: 48LD LQFP ( 7x7x1.4mm)
E1
0.276 BSC 7.00 BSC
PACKAGE OUTLINE DRAWING, FOOTPRINT 2.0mm
e
0.020 BSC 0.50 BSC
LEADFRAME MATERIAL:
L
0.016 0.024 0.031 0.40 0.60 0.80
APPROVE DOC. NO.
L
1
0.039 REF 1.00 REF
VERSION 1
θ
0
°
3.5
°
9
°
0
°
3.5
°
9
°
PAGE OF
θ1
0
°
- -
0
°
- -
CHECK DWG NO. SS048 - P1
θ2
12
°
TYP 12
°
TYP
DATE Sept. 25.2000
θ3
12
°
TYP 12
°
TYP
REALTEK SEMI-CONDUCTOR CORP.
Tel: +49(0)234-9351135 · Fax: +49(0)234-9351137 E-MAIL:info@cornelius-consult.de http://www.cornelius-consult.de

Table of Contents

Related product manuals