EasyManua.ls Logo

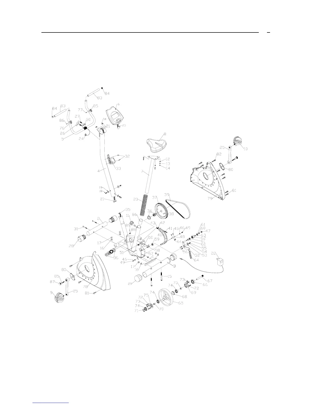
Reebok Exercise Bike - Diagrams; Exploded Diagram

Reebok Exercise Bike
16 pages
Print Icon
To Next Page IconTo Next Page
To Next Page IconTo Next Page
To Previous Page IconTo Previous Page
To Previous Page IconTo Previous Page
Loading...
8
EXPLODED DIAGRAM

Related product manuals