EasyManua.ls Logo

Regency P33-NG4 - Page 49

Regency P33-NG4
64 pages
Print Icon
To Next Page IconTo Next Page
To Next Page IconTo Next Page
To Previous Page IconTo Previous Page
To Previous Page IconTo Previous Page
Loading...
Regency
®
P33-4 Zero Clearance Direct Vent Gas Fireplace
49
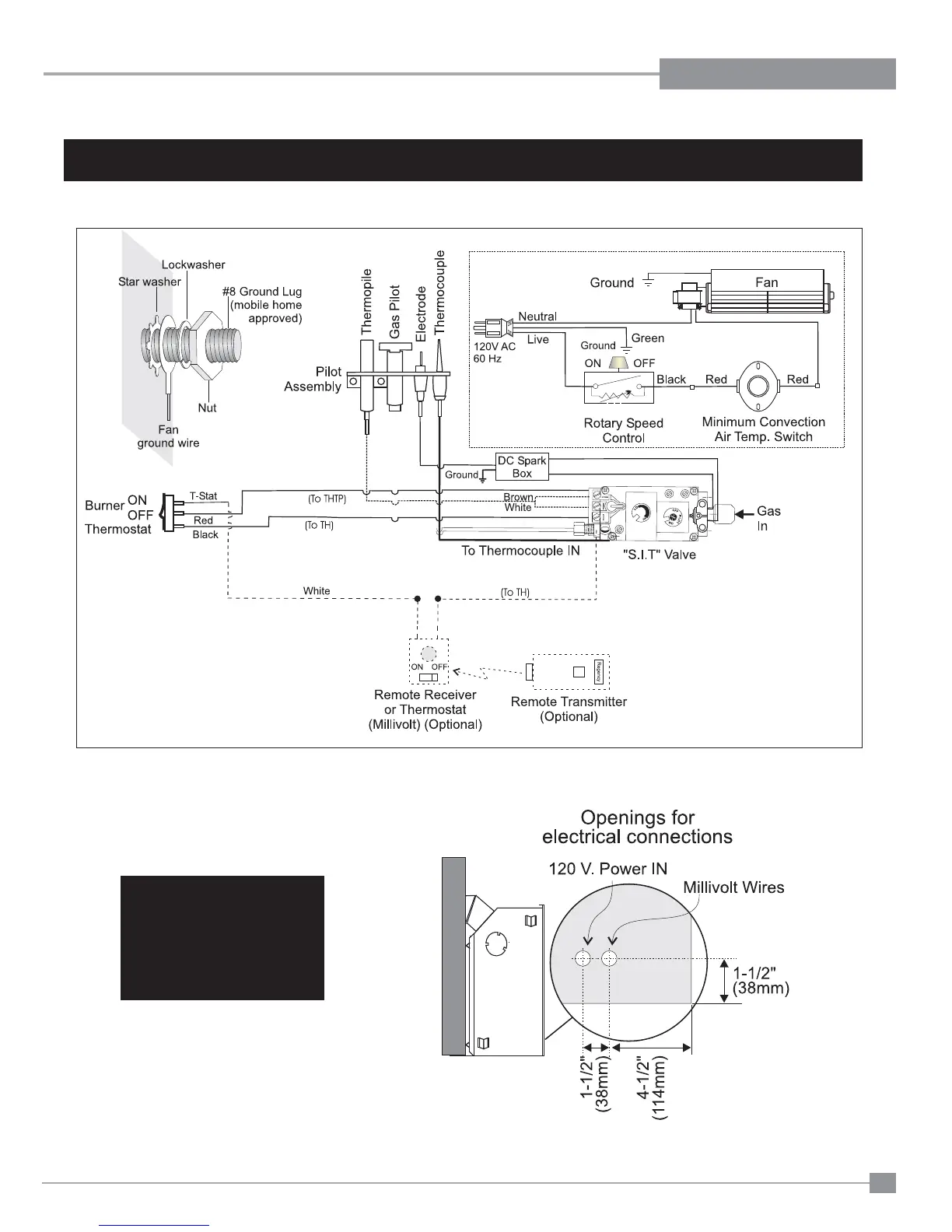
INSTALLATION
Caution: Ensure that the wires do
not touch any hot surfaces and are
away from sharp edges.
CAUTION: Label all wires
prior to disconnection
when servicing controls.
Wiring errors can cause
improper and dangerous
operation.
For PROPANE Units and Units Equipped with DC Spark Boxes*
*For installation of the DC Spark Box refer to the LP Conversion instructions in this manual.

Table of Contents

Related product manuals