EasyManua.ls Logo

Reliance FX920 - Fuse Location and Replacement; AC Input Module Fuse Replacement

Reliance FX920
32 pages
Print Icon
To Next Page IconTo Next Page
To Next Page IconTo Next Page
To Previous Page IconTo Previous Page
To Previous Page IconTo Previous Page
Loading...
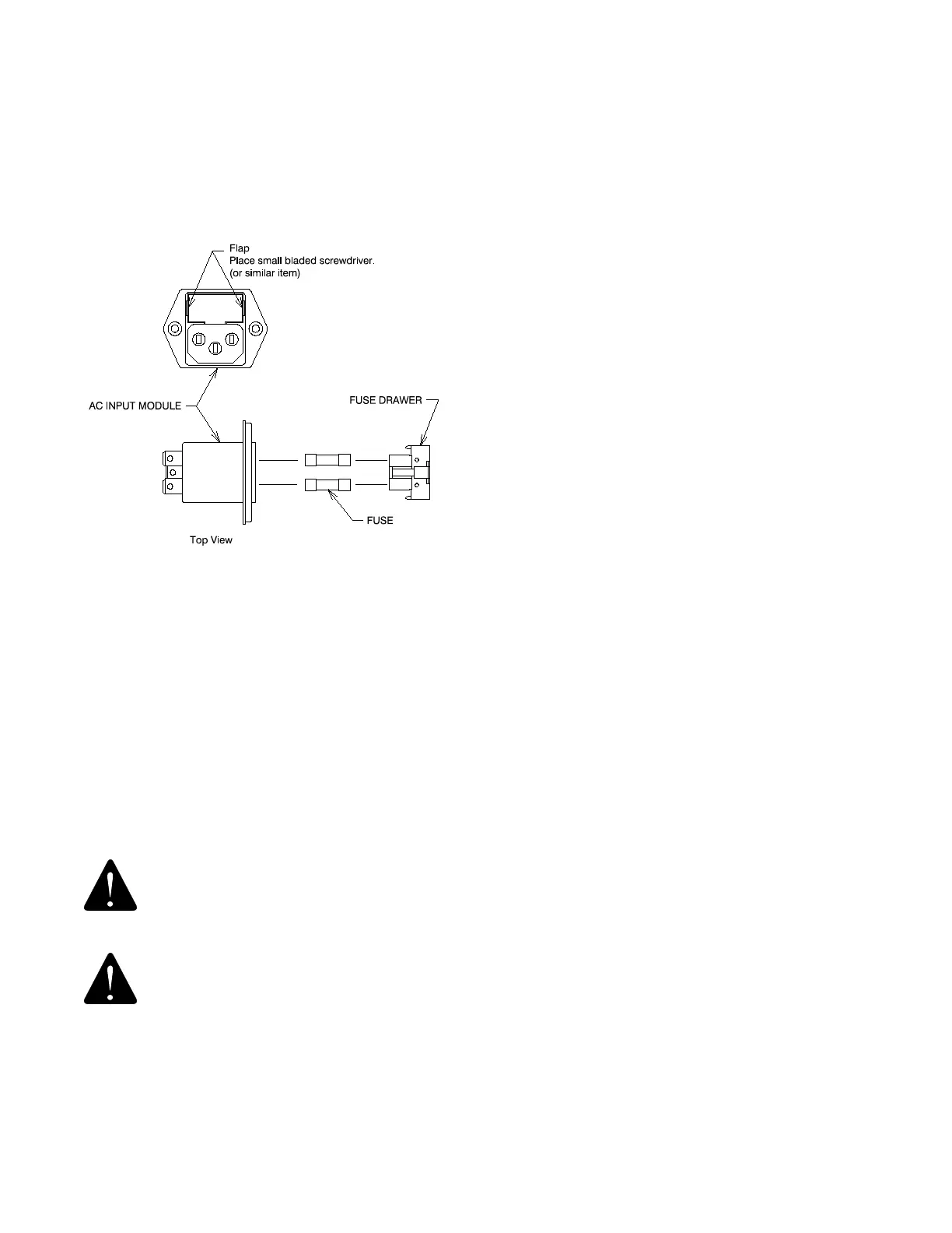
5.1. Fuse Replacement (AC Input Module)
Unplug the power cord from the chair base. With a tool
similar to a small common screwdriver, unsnap the locking
tab on the bottom of the fuse drawer. Remove and examine
the fuses. Replace as necessary. See Figure 5.
FIGURE 5
AC INPUT MODULE
Method for removing fuse drawer:
1. The fuse drawer is located above the power cord.
2. Remove the power cord.
3. Place a small bladed screwdriver into appropriate slot
(shown above) and push the at spring towards the center
of the power module until a click is heard. (Click may not
be heard in all cases.) The drawer will come forward
slightly.
4. Once the ap has been pushed towards the center, the
drawer will extend slightly beyond the power module.
5. Remove the drawer by pulling it out by your ngers.
CAUTION: To avoid a bind of the Fuse Drawer
within the AC Input Module, never install the
Fuse Drawer into the AC Input Module without
fuses.
PRÉCAUTION : Pour éviter que le tiroir à
fusible reste bloqué dans le module d’entrée
CA, n’installez jamais le tiroir à fusible
à l’intérieur du module d’entrée CA sans
fusibles.
IN-FX920
15