EasyManua.ls Logo

REMEHA Sol Plus - Page 18

REMEHA Sol Plus
72 pages
Print Icon
To Next Page IconTo Next Page
To Next Page IconTo Next Page
To Previous Page IconTo Previous Page
To Previous Page IconTo Previous Page
Loading...
en
18
Installation Indications, functions and options MessagesCommissioningOperation and function
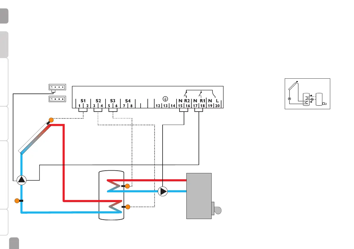
Arrangement 3: Solar system with backup heating
The controller calculates the temperature difference between collector sensor S1
and store sensor S2. If the difference is larger than or identical to the adjusted
switch-on temperature difference (DT O), the solar pump will be activated by relay
1, and the store will be loaded until the switch-off temperature difference (DT F) or
the maximum store temperature (S MX) is reached.
Sensor S3 is used for a thermostat function, which operates relay 2 for backup
heating or heat dump purposes, when the adjusted thermostat switch-on tempera-
ture (AH O) is reached. This function can optionally be combined with up to three
adjustable time frames.
Sensor S3 can optionally be used as the reference sensor for the thermal disinfec-
tion function (OTD) or the store emergency shutdown option (OSEM).
Sensor S4 can optionally be connected. If heat quantity measurement (OHQM) is
activated, S4 is used as the return sensor.
VBus
9
10
PWM 1/2
ModBus
R2
S1
S2
R1
S3 / TSTT
S4 / TR

Related product manuals