EasyManua.ls Logo

REMEHA Sol Plus - Page 26

REMEHA Sol Plus
72 pages
Print Icon
To Next Page IconTo Next Page
To Next Page IconTo Next Page
To Previous Page IconTo Previous Page
To Previous Page IconTo Previous Page
Loading...
en
26
Installation Indications, functions and options MessagesCommissioningOperation and function
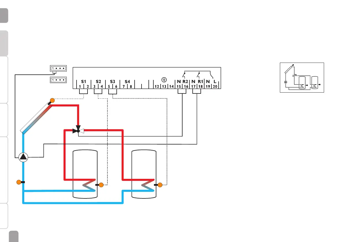
Arrangement 5: Solar system with 2 stores and valve logic
The controller calculates the temperature difference between collector sensor S1
and store sensors S2 and S3. If the difference is larger than or identical to the
corresponding adjusted switch-on temperature differences (DT1O / DT2O), the
solar pump will be activated by relay 1, and the corresponding store will be loaded
until the switch-off temperature difference (DT1F / DT2F) or the maximum store
temperature (S1MX / S2MX) is reached. The priority logic causes priority loading of
store 1. If store 2 is being loaded, relay 2 switches the 3-port valve.
If heat quantity measurement (OHQM) is activated, S4 is used as the return sensor.
9
10
VBus
PWM 1/2
ModBus
R2
S4 / TR
S1
R1
S2
Store 1 Store 2
S3

Related product manuals