EasyManua.ls Logo

REMEHA Sol Plus - Page 29

REMEHA Sol Plus
72 pages
Print Icon
To Next Page IconTo Next Page
To Next Page IconTo Next Page
To Previous Page IconTo Previous Page
To Previous Page IconTo Previous Page
Loading...
en
29
InstallationIndications, functions and optionsMessages Commissioning Operation and function
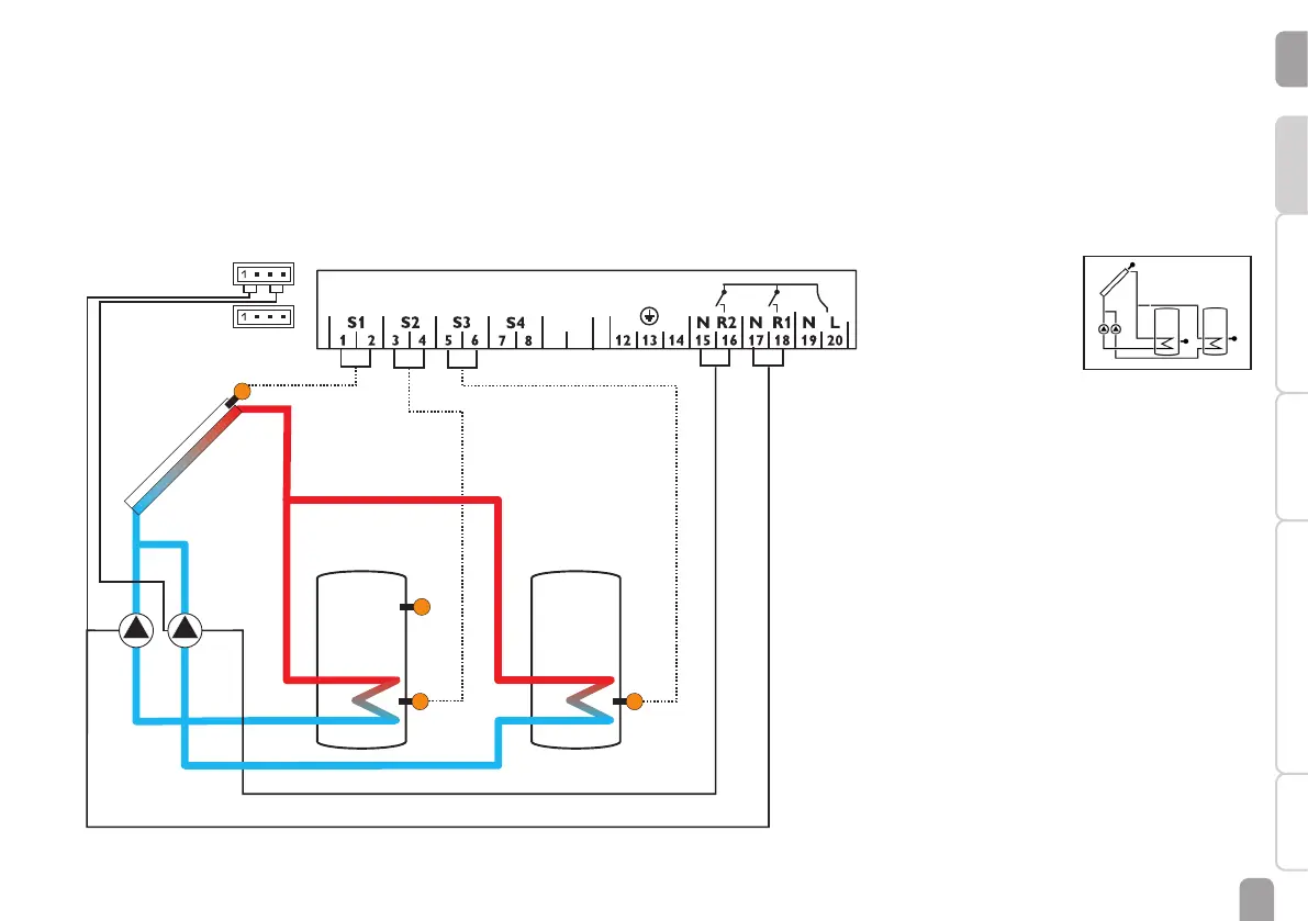
Arrangement 6: Solar system with 2 stores and pump logic
The controller calculates the temperature difference between collector sensor S1
and store sensors S2 and S3. If the difference is larger than or identical to the corre-
sponding adjusted switch-on temperature differences (DT1O / DT2O), one or both
solar pumps will be activated by relay 1 and / or relay 2, and the corresponding store
will be loaded until the switch-off temperature difference (DT1F / DT2F) or the
maximum store temperature (S1MX / S2MX) is reached. The priority logic causes
priority loading of the store selected in the PRIO channel, if possible. If PRIO = 0,
both stores will be loaded simultaneously.
Sensor S4 can optionally be used as the reference sensor for the store emergency
shutdown option (OSEM).
9
10
VBus
PWM 1/2
ModBus
S1
S2
R1 R2
Store 1
Store 2
S4 /
TSTT
S3
ACCESSORY ER712 7630423

Related product manuals