EasyManua.ls Logo

REMEHA Sol Plus - Page 32

REMEHA Sol Plus
72 pages
Print Icon
To Next Page IconTo Next Page
To Next Page IconTo Next Page
To Previous Page IconTo Previous Page
To Previous Page IconTo Previous Page
Loading...
en
32
Installation Indications, functions and options MessagesCommissioningOperation and function
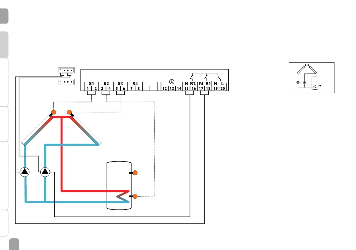
Arrangement 7: Solar system with east-/west collectors and 1 store
The controller calculates the temperature difference between collector sensors
S1 and S3 and store sensor S2. If the differences are larger than or identical to the
adjusted switch-on temperature difference (DT O), one or both solar pumps will
be activated by relay 1 and / or relay 2, and the store will be loaded until the switch-
off temperature difference (DT F) or the maximum store temperature (S MX) is
reached.
Sensor S4 can optionally be used as the reference sensor for the store emergency
shutdown option (OSEM).
9
10
VBus
ModBus
R1 R2
S1
S2
S4 /
TSTT
S3

Related product manuals