EasyManua.ls Logo

REMEHA Sol Plus - Page 35

REMEHA Sol Plus
72 pages
Print Icon
To Next Page IconTo Next Page
To Next Page IconTo Next Page
To Previous Page IconTo Previous Page
To Previous Page IconTo Previous Page
Loading...
en
35
InstallationIndications, functions and optionsMessages Commissioning Operation and function
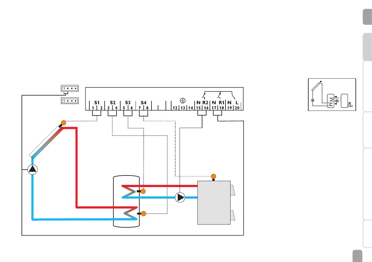
Arrangement 8: Solar system with backup heating by solid fuel boiler
The controller calculates the temperature difference between collector sensor S1
and store sensor S2. If the difference is larger than or identical to the adjusted
switch-on temperature difference (DT O), the solar pump will be activated by relay
1, and the store will be loaded until the switch-off temperature difference (DT F)
or the maximum store temperature (S MX) is reached.
A solid fuel boiler will be controlled by relay 2, if the temperature difference be-
tween sensors S4 and S3 is larger than or identical to the adjusted switch-on tem-
perature difference (DT3O), until the adjusted minimum (MN3O) and maximum
(MX3O) temperature thresholds of the solid fuel boiler and the store are reached.
S3 can optionally be used as the reference sensor for the store emergency shut-
down option (OSEM).
9
10
VBus
PWM 1/2
ModBus
S1
S4
S2
R1
R2
S3 / TSTT

Related product manuals