EasyManua.ls Logo

REMEHA Sol Plus - Page 44

REMEHA Sol Plus
72 pages
Print Icon
To Next Page IconTo Next Page
To Next Page IconTo Next Page
To Previous Page IconTo Previous Page
To Previous Page IconTo Previous Page
Loading...
en
44
Installation Indications, functions and options MessagesCommissioningOperation and function
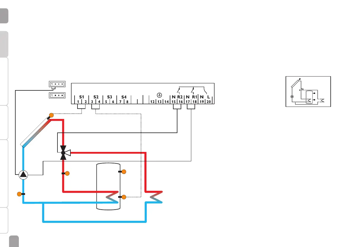
Arrangement 10: Standard solar system with heat dump
The controller calculates the temperature difference between collector sensor S1
and store sensor S2. If the difference is larger than or identical to the adjusted
switch-on temperature difference (DT O), the solar pump will be activated by relay
1, and the store will be loaded until the switch-off temperature difference (DT F) or
the maximum store temperature (S MX) is reached.
If the collector maximum temperature (CMX) is reached, the solar pump will be
activated by R1 and the 3-port valve by R2 in order to divert excess heat to a heat
sink. For safety reasons, excess heat dump will only take place as long as the store
temperature is below the non-adjustable shutdown temperature of 95 °C [200 °F].
Sensors S3 and S4 can optionally be connected. S3 can optionally be used as the
reference sensor for the store emergency shutdown option (OSEM).
If heat quantity measurement (OHQM) is activated, S4 is used as the return sensor.
VBus
10
9
PWM 1/2
ModBus
S1
S2
S4 / TR
S4 / TFL
R1
R2
S3 / TSTT

Related product manuals