EasyManua.ls Logo

REMKO KWL 130 - Page 32

REMKO KWL 130
48 pages
Print Icon
To Next Page IconTo Next Page
To Next Page IconTo Next Page
To Previous Page IconTo Previous Page
To Previous Page IconTo Previous Page
Loading...
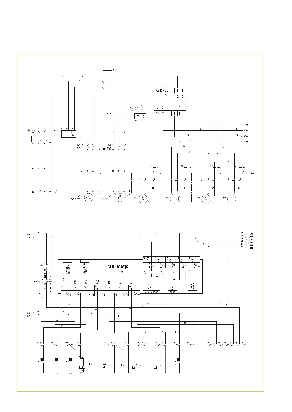
KWL 370 (H)
KWL 370 (H)
2-3 External enabling
4-5 General fault signal
2-6 Cooling-heating switching
7 12V
8 0V
9-10 Cable remote control
Compressor
Probe
Intake
High
pressure
switch
Probe
Outlet
Low pres-
sure switch
Probe
LN-contr.
Diff.press.
switch
Pressure transducer
pressure reg.
(Accessories)
Circulation pump
Fan controller
Condenser
fan 1
Condenser
fan 3
Condenser
fan 2
Condenser
fan 4
REMKO KWL (H)
32

Related product manuals