EasyManua.ls Logo

Rezontech RFD-2000X - Mechanical Specifications

Default Icon
35 pages
Print Icon
To Next Page IconTo Next Page
To Next Page IconTo Next Page
To Previous Page IconTo Previous Page
To Previous Page IconTo Previous Page
Loading...
Co.,Ltd. UV/IR Type Flame Detector RFD-2000X
Document No. Manual-2000X Rev.3
March 2013
- 7 -
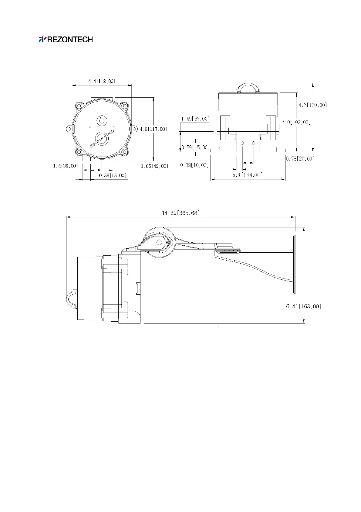
2.2 Mechanical Specifications
[Figure 3] Front, inch[mm]
[Figure 4] Side, inch[mm]
[Figure 5] Combination of Detector and Bracket, inch[mm]
Enclosure (Material) : 316 Stainless Steel
Weight : Body - approximate 2.4㎏, Overall - approximate 3.4㎏
Dimension(Body) : W5.3[134] × H4.6[117] × D4.7[120] (inch[mm])
Dimension(Overall) : W5.3[134] × H6.4[163] × D14.4[366] (inch[mm])
Color : Metal
Electrical connection (External) : 1/2 inch NPT-14, M20 X 1.5(Option)
Wire gauge (Power supply & Signal) : AWG #14 (2.08㎟) ~ #24 (0.205㎟)
Hazardous Area Approvals : Class I Div.1 Groups B,C and D
Class II Div.1 Groups E,F and G
Class III