EasyManua.ls Logo

RIDGID JP0610 - Repair Parts - Figure 2; Parts List for Figure 2

RIDGID JP0610
44 pages
Print Icon
To Next Page IconTo Next Page
To Next Page IconTo Next Page
To Previous Page IconTo Previous Page
To Previous Page IconTo Previous Page
Loading...
38
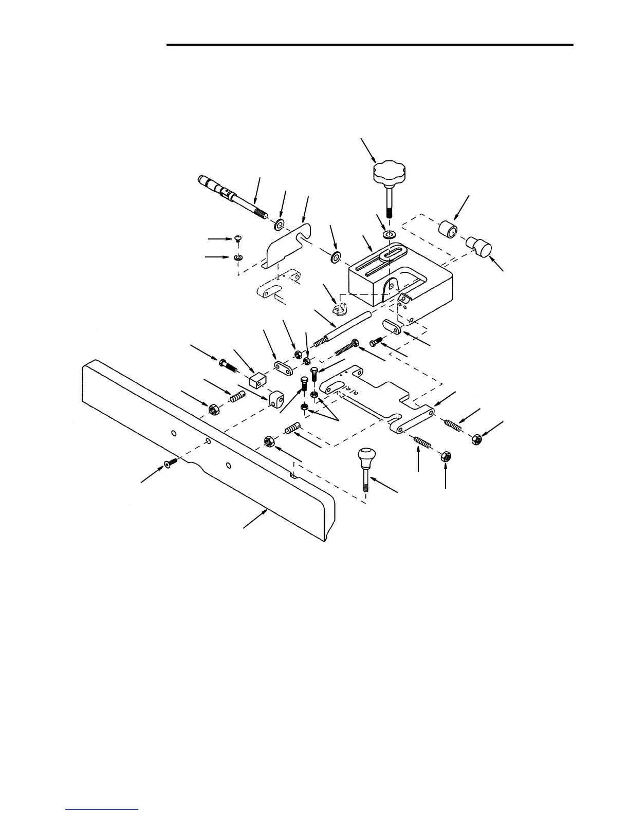
Repair Parts
Parts List for RIDGID 6-1/8" Jointer/Planer
Model No. JP06101
RIDGID parts are available on-line at www.ridgidparts.com
Figure 2
9
1
2
6
7
8
10
11
12
17
17
19
20
21
22
23
24
25
26
27
16
3
4
30
13
18
28
29
31
16
12
11
31
16
14
15
32

Table of Contents

Related product manuals