EasyManua.ls Logo

Riello Array AR 1000 - Appendix; Appendix A - Wiring Diagram AR 1000, AR 1500

Riello Array AR 1000
76 pages
Print Icon
To Next Page IconTo Next Page
To Next Page IconTo Next Page
To Previous Page IconTo Previous Page
To Previous Page IconTo Previous Page
Loading...
40
SHUTDOWN
40
APPENDIX
APPENDIX
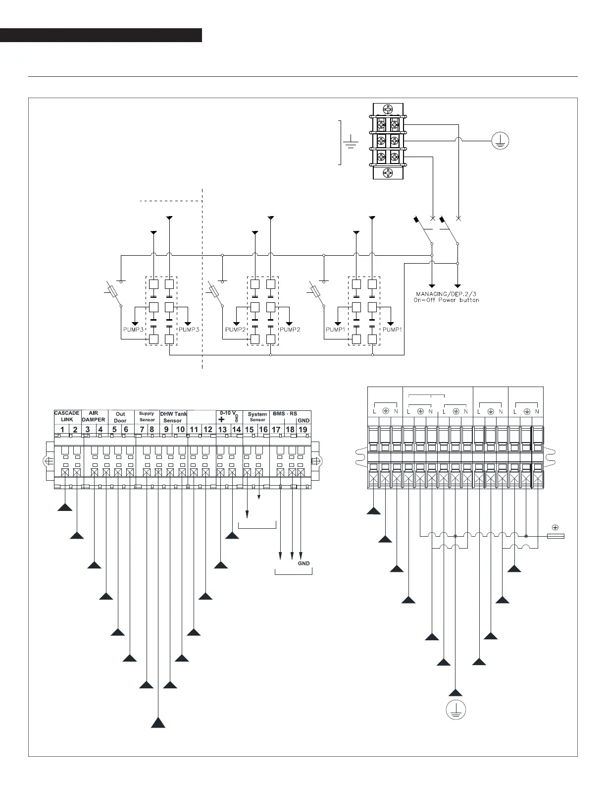
APPENDIX A - WIRING DIAGRAM AR 1000, AR 1500
J8-2
MASTER
J8-1
MASTER
J12-3
MASTER
J12-6
MASTER
J6-7
MASTER
J6-14
MASTER
J6-6
MASTER
J6-13
MASTER
J6-4
MASTER
J6-11
MASTER
MASTER
MASTER
J9-3
MASTER
J9-1
LOW VOLTAGE TERMINAL STRIP HIGH VOLTAGE TERMINAL STRIP
J3-5
MASTER
J2-3
MASTER
J3-10
MASTER
J3-2
MASTER
J3-7
MASTER
J3-1
MASTER
J3-3
MASTER
J2-2
MASTER
J3-8
MASTER
J3-6
MASTER
MASTER
J6-13 h
J6-6 b
SLAVE 2
TOUCH SCREEN
485
+
-
101 102 104 105 106 107 108 109 110 111 112 113 114 115103
ALARM
MAIN /
CH PUMP
Air Damper
DHW 3-WAY CH
DHW Pump CH Pump
+
-
1 3
2
4
L1
N
COM COM
green
black
R1
R2
R3
F1F2
F3
NO NO
120VAC
J3-4 MASTER
J3-9 MASTER
J3-4 SLAVE 2
J3-9 SLAVE 2
J3-4 SLAVE 3
J3-9 SLAVE 3
blue
FOR 3 PUMPS
balck
blue
COIL COIL
COM COM
NO NO
COIL COIL
COM COM
NO NO
COIL COIL
Enable /
Disable

Table of Contents

Related product manuals