EasyManua.ls Logo

Riello Array AR 3000 - Appendix; Appendix A: Wiring Diagram

Riello Array AR 3000
72 pages
Print Icon
To Next Page IconTo Next Page
To Next Page IconTo Next Page
To Previous Page IconTo Previous Page
To Previous Page IconTo Previous Page
Loading...
35
SHUTDOWN
35
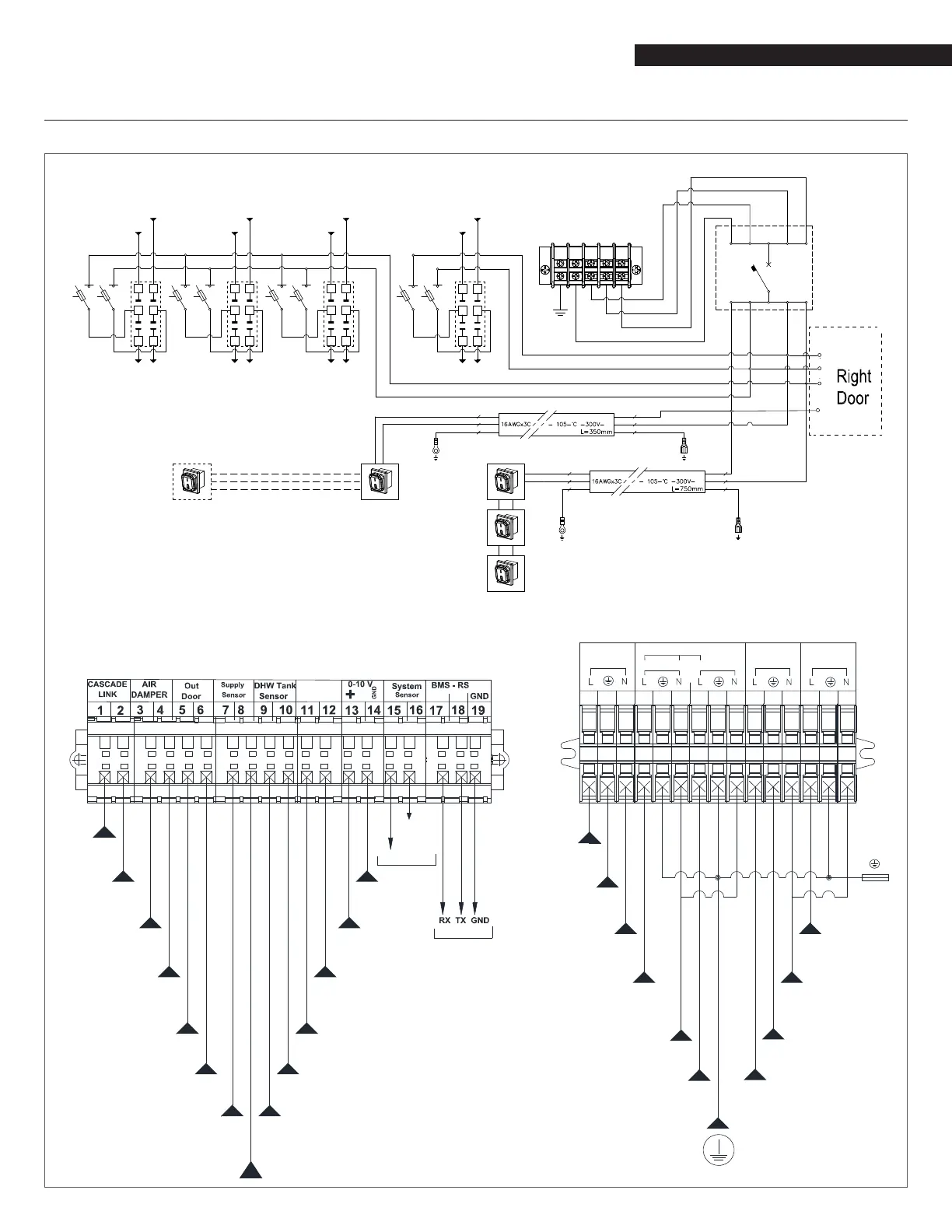
APPENDIX
APPENDIX A - WIRING DIAGRAM
J8-2
MASTER
J8-1
MASTER
J12-3
MASTER
J12-6
MASTER
J6-7
MASTER
J6-14
MASTER
J6-6
MASTER
J6-13
MASTER
J6-4
MASTER
J6-11
MASTER
MASTER
MASTER
J9-3
MASTER
J9-1
LOW VOLTAGE TERMINAL STRIP HIGH VOLTAGE TERMINAL STRIP
J3-5
MASTER
J2-3
MASTER
J3-10
MASTER
J3-2
MASTER
J3-7
MASTER
J3-1
MASTER
J3-3
MASTER
J2-2
MASTER
J3-8
MASTER
J3-6
MASTER
MASTER
J6-13 h
J6-6 b
SLAVE 2
TOUCH SCREEN
485
+
-
101 102 104 105 106 107 108 109 110 111 112 113 114 115103
ALARM
MAIN /
CH PUMP
Air Damper
DHW 3-WAY CH
DHW Pump CH Pump
N L3 L2
L1
N L3 L2
L1
OUT
IN
N
L3
L2 L1
A1A2A1A2
R2
R3
R4 F2
F3
F4
2A 1A
PUMP 2PUMP 3PUMP 4
J3-4 DEP. 2
J3-9 DEP. 2
(RIGHT DOOR)
M5
M1
M2
M3
M4
J3-4 DEP. 3
J3-9 DEP. 3
J3-4 DEP. 4
J3-9 DEP. 4
AWG 12 black
AWG 12 gray
AWG 16
AWG 16
COMCOM
R1F1
2A 1A
ON ON
PUMP 1
Blue
Grey
Green
Blue
Grey
Green
Blue
Black
Green
Blue
Black
Green
J3-4 MANAGING
J3-9 MANAGING
NO NONO NONO NO
COM COM COM COM
COM
COM
AWG 12 brown
AWG12 blue
Enable /
Disable

Table of Contents

Related product manuals