EasyManua.ls Logo

Riello G2 - Page 7

Riello G2
Print Icon
To Next Page IconTo Next Page
To Next Page IconTo Next Page
To Previous Page IconTo Previous Page
To Previous Page IconTo Previous Page
Loading...
1541
5
D
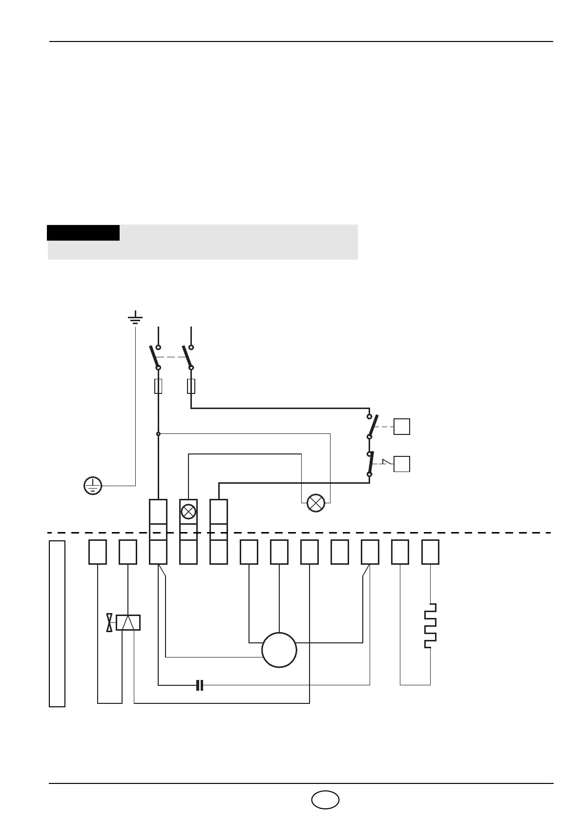
ACHTUNG:
Der Brenner ist mit einer Steckdose versehen, die zur direkten elektrischen Verbindung mit dem
am Kessel angebrachten Stecker dient
(siehe Schema Blatt 4)
.
Sollte der Kessel nicht mit einem Stecker versehen sein, dann wie folgt vorgehen:
die Steckdose zusammen mit dem dazugehörigen Kabel vom Brenner abmontieren;
die elektrische Verbindung direkt an der Klemmleiste des Brenners ausführen und dabei das
unten aufgezeigte Schema beachten.
ELEKTRISCHES VERDRAHTUNGSSCHEMA
ACHTUNG
NULLEITER NICHT MIT DER PHASE VERWECHSELN
Braun
Weiss (50V)
Blau
Motor
Kondensator
Regelungthermostat
Nulleiter
Schalter mit
6A max.
N L
M
~
Schwarz
230V ~ 50Hz
N L
Begrenzer
Äußere Störlampe
(230V - 0,5 A max.)
1 2 3 4 5 6 7 8 9
Blau
Braun
klemmleiste des
Steuergeräts 531SE
*
Ventil
T
T
D5498
Schwarz
Sicherung
SERIENMÄSSIG AUSGEFÜHRT
BEMERKUNGEN:
Leiterdurchmesser 1 mm
2
.
Die vom Installateur ausgeführten elektri-
schen Verbindungen müssen den diesbezüg-
lichen Landesbestimmungen entsprechen.
121011
Vorwärmer 55W
Rot
Rot

Related product manuals