EasyManua.ls Logo

Riello MG569 - Page 13

Riello MG569
Print Icon
To Next Page IconTo Next Page
To Next Page IconTo Next Page
To Previous Page IconTo Previous Page
To Previous Page IconTo Previous Page
Loading...
3008
3
F
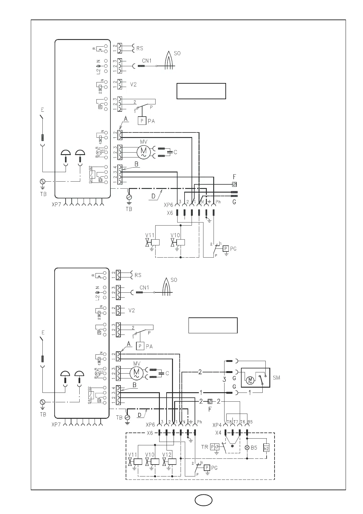
INSTALLATION ELECTRIQUE
D4637
D4638
BRULEURS
BRULEURS
BOÎTE DE CONTRÔLE
LEGENDE
A Connecteur à 2 pôles
B Connecteur à 4 pôles
D Cable de terre
G Connecteurs pour
servomoteur
F Bornier avec prise
B5 Signalisation fonctionne-
ment 2° allures
C Condensateur
CN1 Cable de connexion SO
E –Electrode
h2 Compteur horaire 2°
allures
MV Moteur
PA Pressostat air min.
PG Pressostat gaz min.
RS Reset à distance
SM Servomotuor
SO Sonde
TR Thermostat réglage
TB Terre brûleur
V2 –Protection
V10 Vanne sécurité
V11 Vanne 1 allure
V12 Vanne 2 allures
X.. –Fiche
XP.. –Prise
1 –Noir
2 –Bleu
3 –Marron
MG569
2 ALLURES
1 ALLURE
BOÎTE DE CONTRÔLE
MG569

Related product manuals