EasyManua.ls Logo

Riello MG569 - Page 23

Riello MG569
Print Icon
To Next Page IconTo Next Page
To Next Page IconTo Next Page
To Previous Page IconTo Previous Page
To Previous Page IconTo Previous Page
Loading...
3008
3
NL
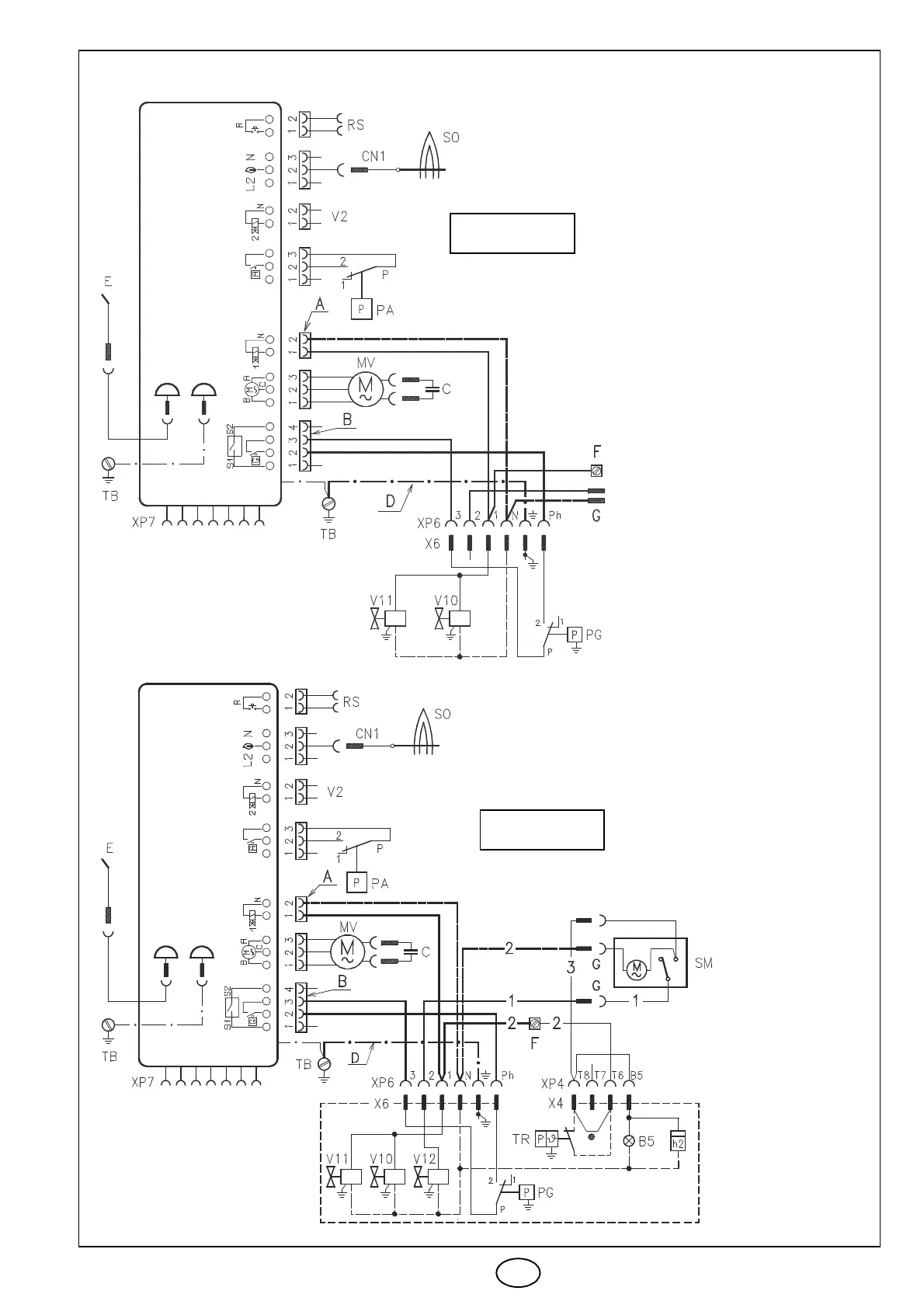
ELEKTRISCHE INSTALLATIE
D4637
D4638
TWEETRAPS-
EENTRAPS-
CONTROLEDOOS
LEGENDE
A 2-wegsstekker
B 4-wegsstekker
D Aardingsdraad
G Stekkers voor servomotor
F Schroefklem
B5 Controlelampie werking
2
de
vlamgang
C Condensator
CN1 Stekker ionisatiesonde
E Electrode
h2 Urenteller 2
de
vlamgang
MV Motor
PA Luchtdrukschakelaar min.
PG Gasdrukschakelaar min.
RS Reset op afstand
SM –Servomotor
SO Ionisatiesonde
TR
Regelthermostaat
TB Aardingsdraad
V2 Beveiliging
V10 veiligheidventiel
V11 Ventiel 1
ste
Vlamgang
V12 Ventiel 2
de
Vlamgang
X.. Mannetjesstekker
XP.. Vrouwtjesstekker
1 –Zwart
2 Blauw
3 –Bruin
MG569
BRANDERS
BRANDERS
CONTROLEDOOS
MG569

Related product manuals