EasyManua.ls Logo

Riello MG569 - Page 3

Riello MG569
Print Icon
To Next Page IconTo Next Page
To Next Page IconTo Next Page
To Previous Page IconTo Previous Page
To Previous Page IconTo Previous Page
Loading...
3008
3
I
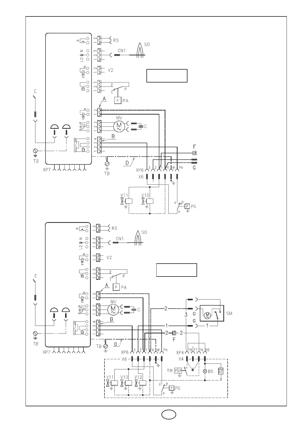
COLLEGAMENTI ELETTRICI
D4637
D4638
BRUCIATORI
BRUCIATORI
APPARECCHIATURA
LEGENDA
A Connettore a 2 vie
B Connettore a 4 vie
D Filo di terra
G Connettori per
servomotore
F Morsetto a vite
B5 Segnalazione funziona-
mento 2° stadio
C Condensatore
CN1 Connettore sonda
E Elettrodo
h2 Contaore 2° stadio
MV Motore
PA Pressostato aria min.
PG Pressostato gas min.
RS Sblocco remoto
SM Servomotore serranda
SO Sonda ionizzazione
TR Termostato di regola-
zione
TB Terra bruciatore
V2 Protezione
V10 Valvola di sicurezza
V11 Valvola di 1° stadio
V12 Valvola di 2° stadio
X.. Spina
XP.. –Presa
1 –Nero
2 –Blu
3 Marrone
MG569
BISTADIO
MONOSTADIO
APPARECCHIATURA
MG569

Related product manuals