EasyManua.ls Logo

Riello NetMan - Impostazione Dei Jumper; Installazione; Specifiche Dei Cavi

Riello NetMan
24 pages
Print Icon
To Next Page IconTo Next Page
To Next Page IconTo Next Page
To Previous Page IconTo Previous Page
To Previous Page IconTo Previous Page
Loading...
ITALIANO
16
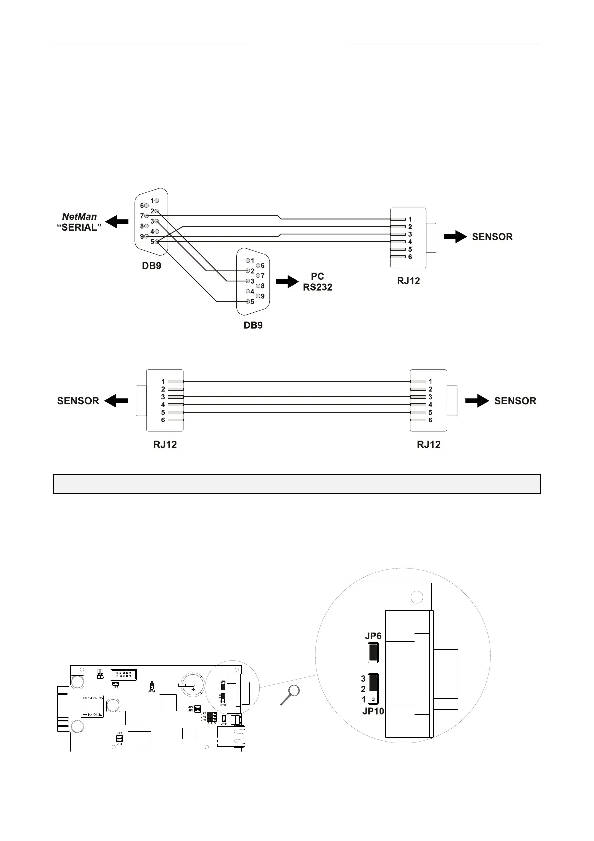
SPECIFICHE DEI CAVI
In caso sia necessario l’uso di un cavo più lungo di 5 metri, è possibile costruirne uno
seguendo lo schema in Figura 6 e in Figura 7
Si noti che la lunghezza totale del cavo non deve superare i 30 metri e che il numero
massimo di dispositivi in cascata è 6 (Il presente dispositivo conta per 2).
Il cavo usato deve essere schermato e solo una estremità del cavo deve essere
connessa a terra
Figura 6 cavo dalla scheda netman al “sensor interface”
Figura 7 cavo tra sensori
INSTALLAZIONE
IMPOSTAZIONE DEI JUMPER
Per usare I sensori ambientali, configurare i jumper JP6 e JP10 come mostrato di seguito.
Consultare anche il manuale della scheda NetMan plus per l’impostazione degli altri
jumper.

Related product manuals