EasyManua.ls Logo

Riello NetMan - Installation; NetMan Plus Jumper Settings

Riello NetMan
24 pages
Print Icon
To Next Page IconTo Next Page
To Next Page IconTo Next Page
To Previous Page IconTo Previous Page
To Previous Page IconTo Previous Page
Loading...
ENGLISH
6
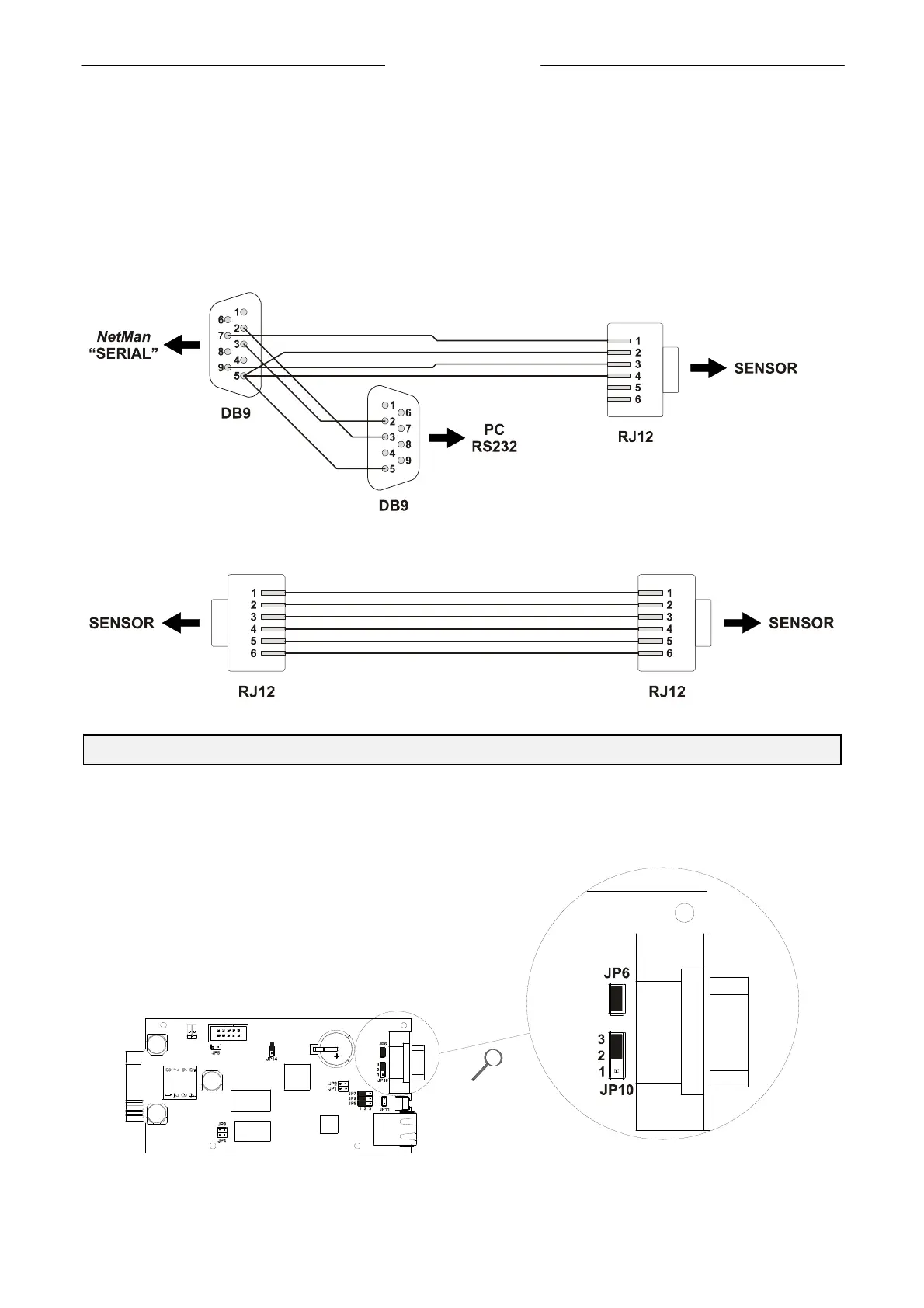
CABLE SPECIFICATIONS
In case it is necessary a cable longer than 5 meters, it is possible to build one following the
schematic in Picture 6 and Picture 7.
Please note that the total cable length must be less or equal than 30 meters and the
Number of devices must be less or equal than 6 (where this device counts 2).
The cable used must be shielded and only one end of the shield should be tied to
protection earth (PE).
Picture 6 netman to sensor interface
Picture 7 sensor to sensor cable
INSTALLATION
NETMAN PLUS JUMPER SETTINGS
In order to use the environmental sensors, please configure the JP6 and JP10 jumpers as
shown below. See also the NetMan plus manual for configuring the other jumpers.

Related product manuals