EasyManua.ls Logo

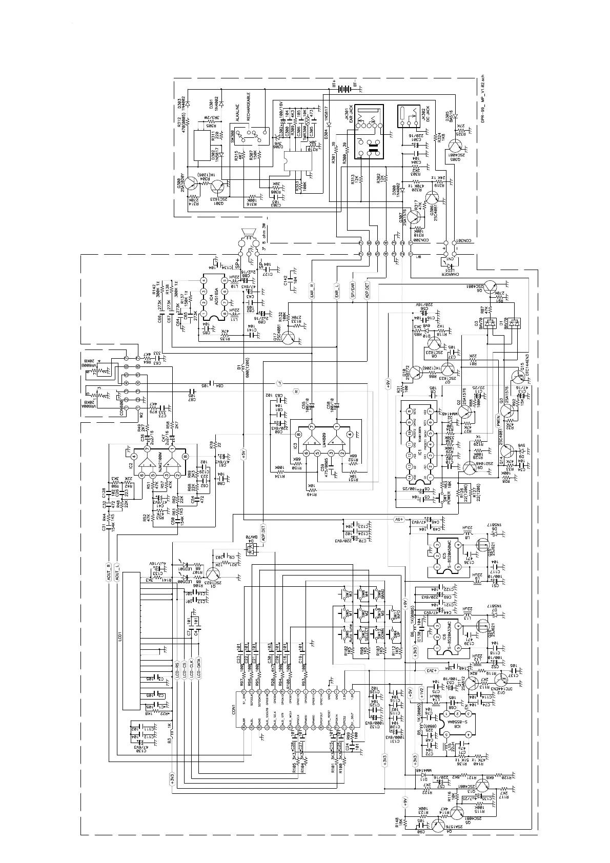
Roberts ecologic 2 - Schematic Diagram

Roberts ecologic 2
29 pages
Print Icon
To Previous Page IconTo Previous Page
To Previous Page IconTo Previous Page
Loading...
1
V0
4
PSI2B
7
VIN
10
SHLC
13
DB6
16
DB3
19
DB0
21
R/W
22
CSB
24
XRESET
20
E
2
CAPIN
3
CAPIP
5
PSB
6
VOUT
8
VDD
9
SHLS
11
VSS
14
DB5
15
DB4
17
DB2
23
RS
12
DB7
18
DB1
2
OUT
1
GND_ADJ
4
OUT_TAB
3
IN
IC301
LM1117
3
OUT
6
TSENS
1
VSENIN
2
VSGOUT
4
GND
8
VCC
5
TRL
7
TRH
MC33340
IC300
SCHEMATIC DIAGRAM
29

Other manuals for Roberts ecologic 2

Related product manuals