EasyManua.ls Logo

Robland Thicknesser D630 - Starting up the Machine

Robland Thicknesser D630
40 pages
Print Icon
To Next Page IconTo Next Page
To Next Page IconTo Next Page
To Previous Page IconTo Previous Page
To Previous Page IconTo Previous Page
Loading...
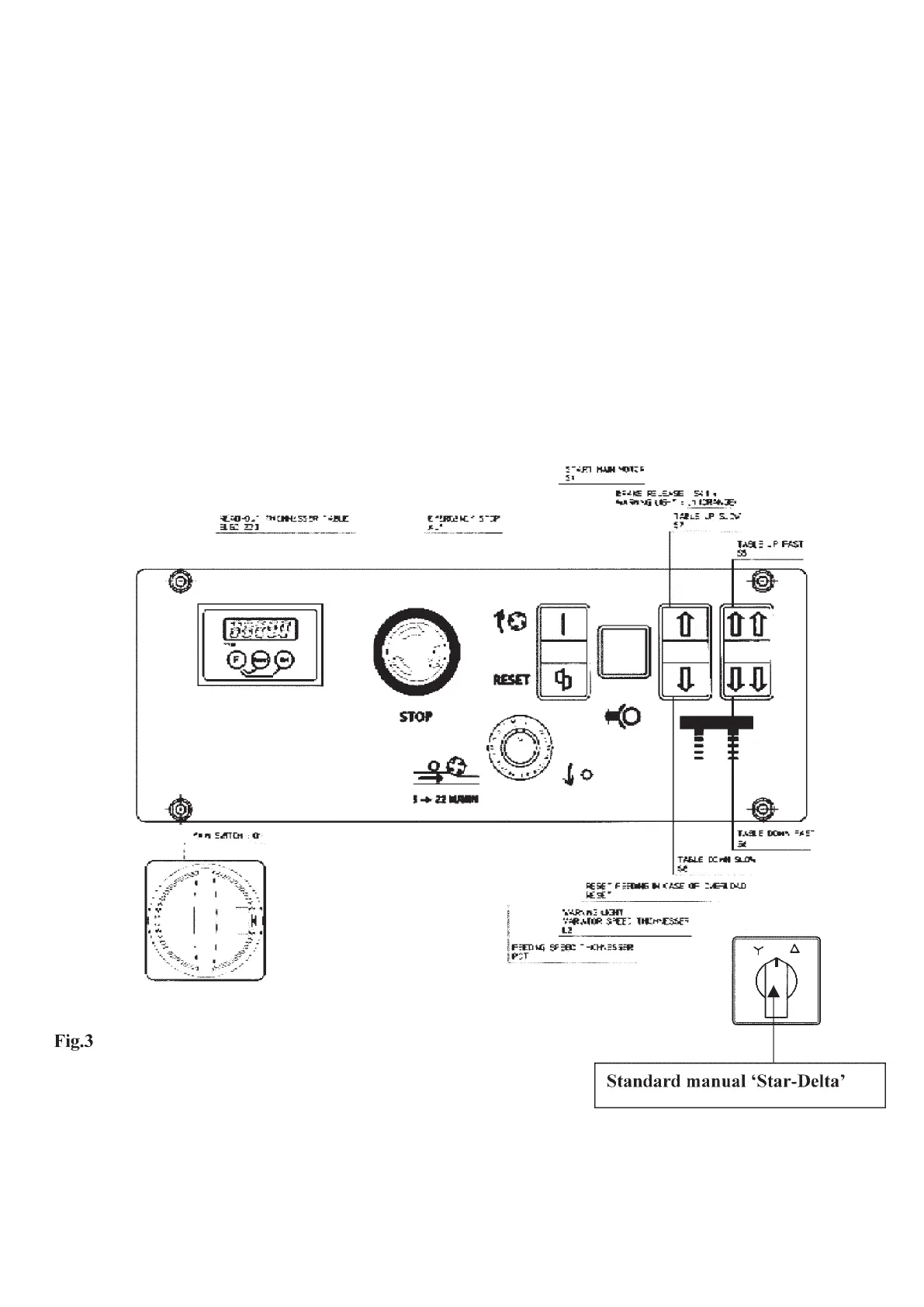
Starting up the machine (fig. 3)
Turn the main switch (Q1) to position “1” in order to put the machine under tension.
To start up the motor push set the ‘Star-Delta’ switch in the ‘Star’ position and push
the button S1, after about 8 sec. turn the switch to the ‘Delta’ position. Fot the
optional ‘Auto-Star-Delta’ push the start button (S1), the motor starts-up
automatically in Star-Delta. By pushing the stop button (AU1) the main motor is
automatically stopped, and slowed down by the automatic brake within 10 seconds.
The feeding motor can be started by pushing the button (POT) of the potentiometer,
and by turning the same button the feeding speed can be chosen from 5 to 22 meters
per minute.
To stop the feeding motor, push the same button (POT).
All motors are stopped automatically when the emergency stop button (AU1) is used;
Make sure the brake release switch (S4.1 ) is set at position O and the warning light
inside the same button is not lit, in order to be able to start up the machine.
When this same switch is pushed during the run of the machine the motors will
automatically be stopped.
WARNING:
All fuses can be found inside the electrical cabinet, and each time this cabinet is
opened the machine must be disconnected from the main power supply.
11

Related product manuals