EasyManua.ls Logo

Robland Thicknesser D630 - Instruction Manual ELGO

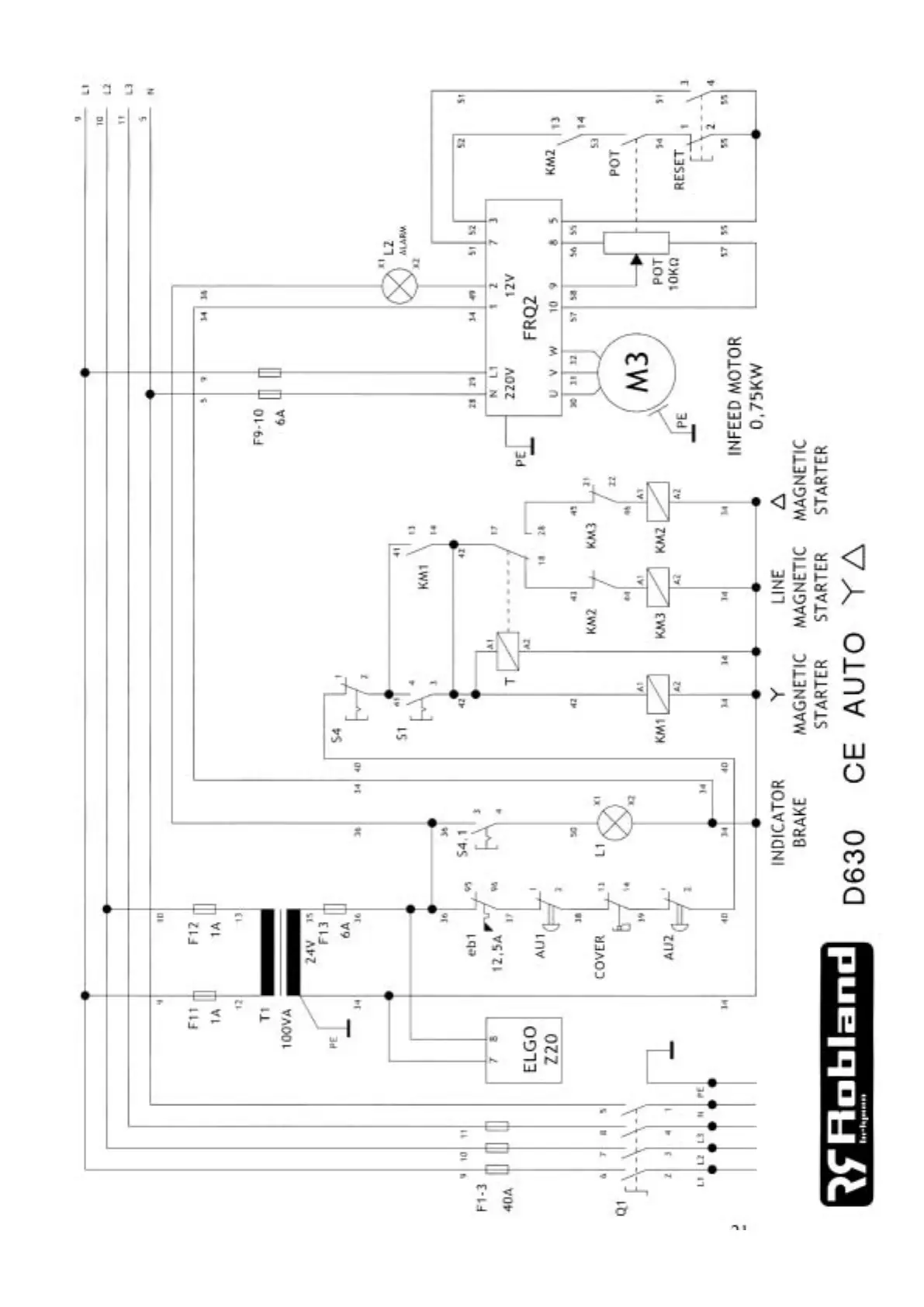
Robland Thicknesser D630
40 pages
Print Icon
To Next Page IconTo Next Page
To Next Page IconTo Next Page
To Previous Page IconTo Previous Page
To Previous Page IconTo Previous Page
Loading...
20

Related product manuals