EasyManua.ls Logo

Rockwell Automation Allen-Bradley Guardmaster 442G MABH Series

Rockwell Automation Allen-Bradley Guardmaster 442G MABH Series
52 pages
To Next Page IconTo Next Page
To Next Page IconTo Next Page
To Previous Page IconTo Previous Page
To Previous Page IconTo Previous Page
Loading...
Rockwell Automation Publication 442G-UM002B-EN-P - August 2021 13
Chapter 1 Product Overview
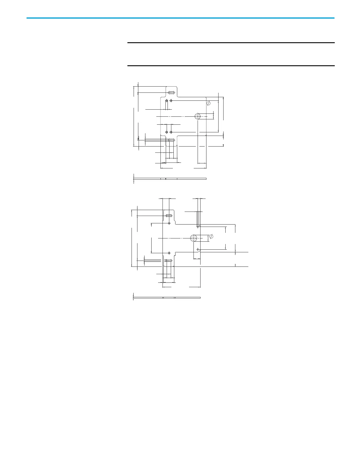
Mounting Plates
Figure 8 - Handle Assembly Mounting Plate [mm (in.)]
Figure 9 - Escape Release Mounting Plate [mm (in.)]
Mounting Hardware Reference
Handle Assembly Mounting Plate is supplied with the following hardware:
4X DIN 7984-M6X12 ZN (screw)
4X DIN 433-6 NI (washer)
4X DIN 6797-JZ-D6,4 (lock washer)
Escape Release Mounting Plate is supplied with the following hardware:
•4X DIN 7984-M6X8 (screw)
4X DIN 433-6 NI (washer)
4X DIN 6797-JZ-D6,4 (lock washer)
IMPORTANT
The use of the handle assembly mounting plate is required with the
Ethernet version of the access box. The use of the escape release
mounting plate is optional.
16
(0.63)
10
(0.39)
32 (1.26)
15
(0.59)
6.5 (0.25)
12 (0.47)
17.5 (0.69)
17.5
89.4
(3.54)
135
(5.31)
130.5 (5.14)
12.5
(0.49)
4 (0.16)
170
(6.69)
25
(0.98)
30 (1.18)
110
(4.33)
17.5
M6 (4x)
10
(0.39)
32 (1.26)3
(0.12)
6.5
(0.25)
12 (0.47)
17.5
(0.69)
17.5
135
(5.31)
113.5 (4.47)
4 (0.16)
170
(6.69)
20
(0.79)
89.4
(3.54)
M6 (4x)
20
(0.79)
68
(2.68)
43.5
(1.71)
83
(3.27)
7.5
(0.29)
86.5 (3.40)
19.5
(0.77)

Table of Contents

Other manuals for Rockwell Automation Allen-Bradley Guardmaster 442G MABH Series

Related product manuals