EasyManua.ls Logo

Rointe D SERIES - Page 21

Rointe D SERIES
60 pages
Print Icon
To Next Page IconTo Next Page
To Next Page IconTo Next Page
To Previous Page IconTo Previous Page
To Previous Page IconTo Previous Page
Loading...
21
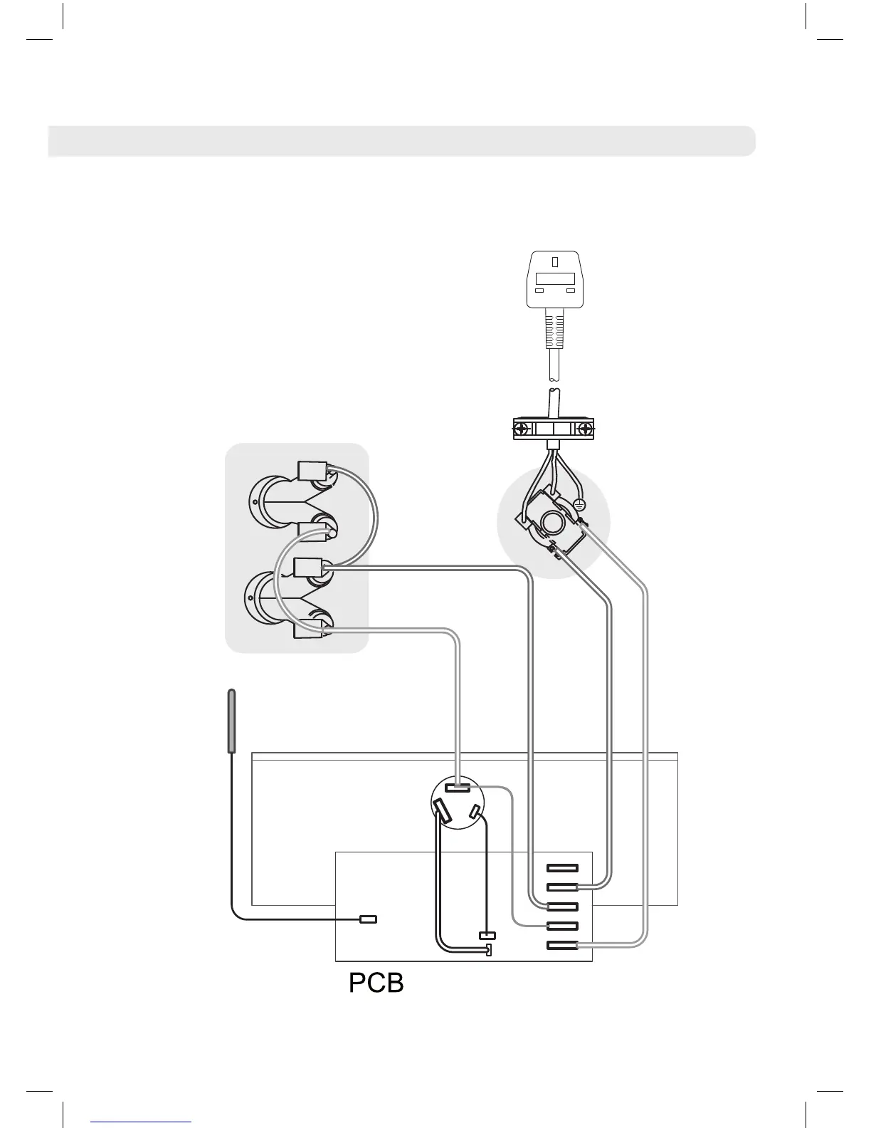
D Series with DELTA Ultimate technology
RED
RED
BLACK
BLUE
BLUE
EARTH
CONNECTION
THERMAL
CUT OUT
HEATING
ELEMENTS
NTC
SENSOR
Figure 4 - Assembly schematic.

Other manuals for Rointe D SERIES

Related product manuals