EasyManua.ls Logo

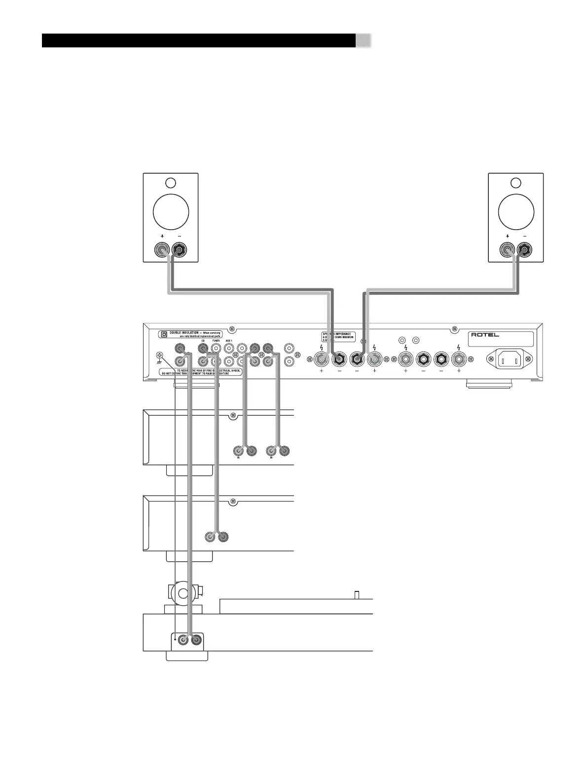
Rotel RA-01 - Figure 2: Signal Input and Speaker Output Connections

Rotel RA-01
42 pages
Print Icon
To Next Page IconTo Next Page
To Next Page IconTo Next Page
To Previous Page IconTo Previous Page
To Previous Page IconTo Previous Page
Loading...
4
Figure 2: Signal Input and Speaker Output Connections
Signaux d’entrée et branchements enceintes acoustiques
Signaleingang und Anschluß eines Lautsprecherpaares
Collegamenti dei segnali linea in ingresso, del registratore, dei diffusori
Conexiones para Entrada de Señal y Salida a las Cajas Acústicas
Het aansluiten van de lijnbronnen, een opname/weergaveapparaat en de luidsprekers
Anslutningar för ingångssignalerna och högtalarutgångarna
R
L
G
N
D
L
OU
TP
UT
L
INP
UT
R
L
OU
TP
UT
SPEAKERS
R
O
TEL RA-
0
1
WARNING:
G
N
D
LEFT
RIGHT
PH
O
N
O
A
U
X
2
TAPE 1
PRE
OUT
IN
OUT
RI
G
H
T
S
PEAKER
A
12V TRI
GG
ER
OUT
12
LEFT
RI
G
H
T
S
PEAKER
B
LEFT
INTE
G
RATED AMPLIFIE
R
M
O
DEL N
O
. RA-0
1
P
O
WER
CO
N
SU
MPTI
O
N: 220
W
RECORDER
CD PLAYER
PH
0
N
O
8
O
HM
S
MINIM
UM
RA-01 Stereo Integrated Amplifier

Other manuals for Rotel RA-01

Related product manuals