EasyManua.ls Logo

RUPTELA FLS Pro - Appendix B: Connection Schematic

RUPTELA FLS Pro
16 pages
Print Icon
To Next Page IconTo Next Page
To Next Page IconTo Next Page
To Previous Page IconTo Previous Page
To Previous Page IconTo Previous Page
Loading...
www.ruptela.com support@ruptela.com | +370 5 2045030 15
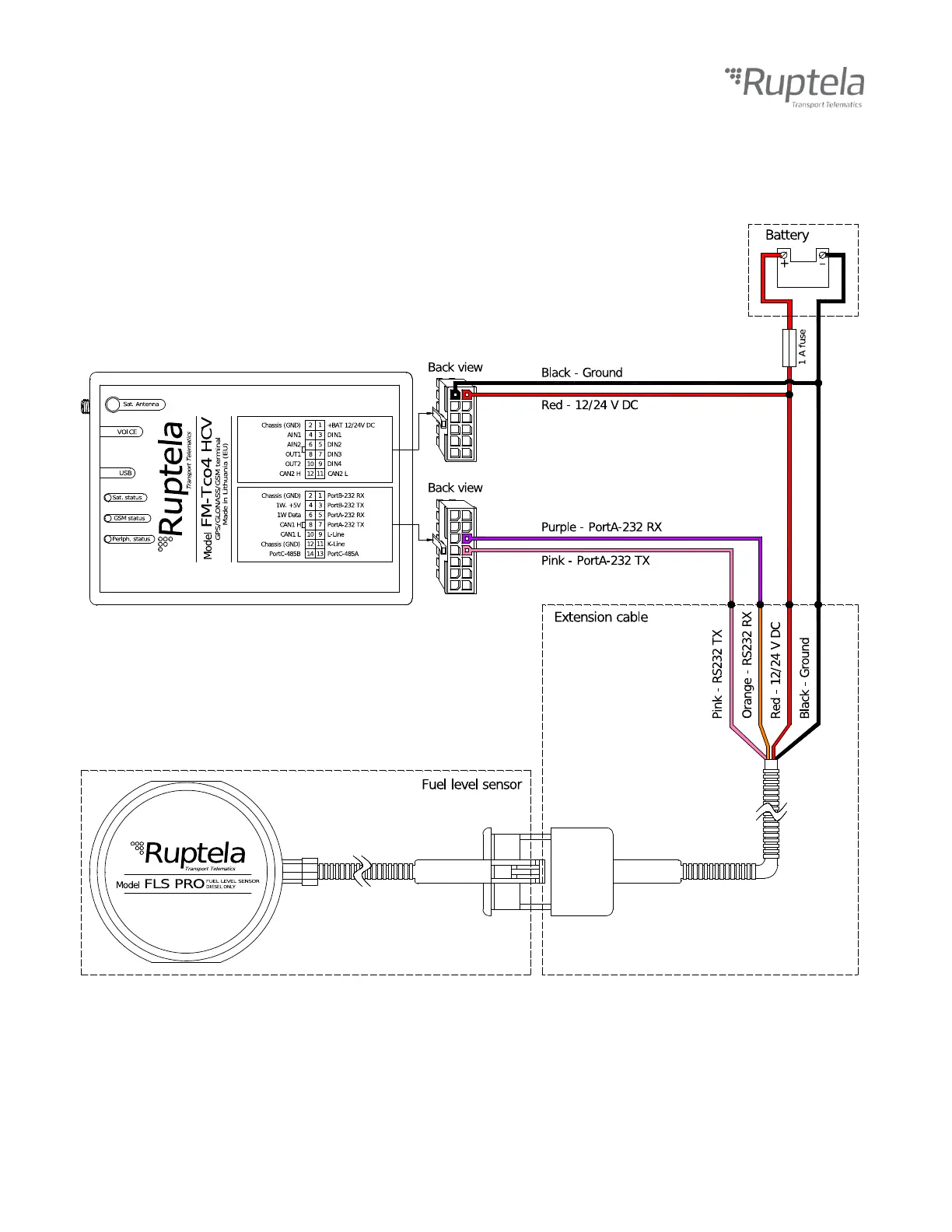
Appendix B: Connection schematic
Power input: 12/24 V DC
Recommended fuse: 1 A