EasyManua.ls Logo

ryan 544951J - Gear Case; Diagram and Parts List

Default Icon
42 pages
Print Icon
To Next Page IconTo Next Page
To Next Page IconTo Next Page
To Previous Page IconTo Previous Page
To Previous Page IconTo Previous Page
Loading...
30
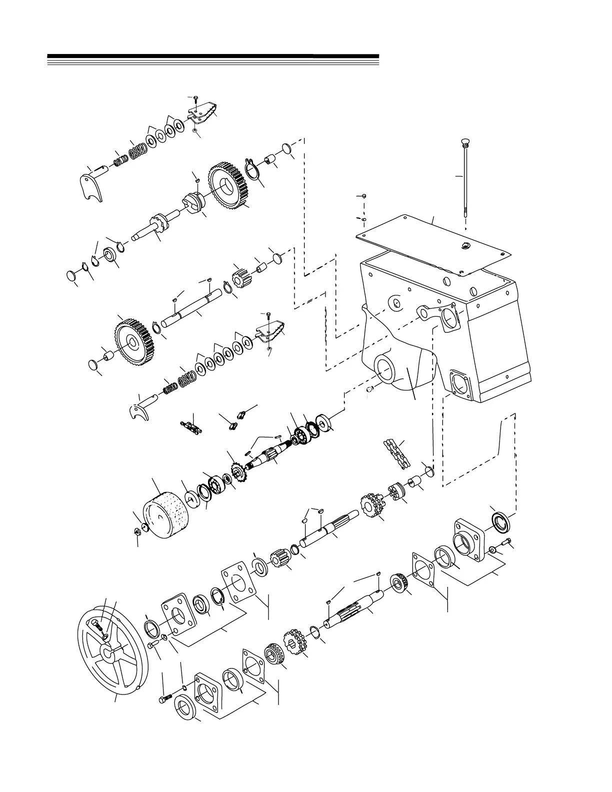
JR SOD CUTTER
FIGURE 2
GEAR CASE
56
8
16
15
34
24
53
54
51
49
46
5
25
44
47
50
58
58
50
12
55
14
55
13
50
58
41
8
16
15
56
57
10
60
6
42
43
67
62
63
64
65
66
68
73
72
69
70
70
64
71
22
71
22
45
17
18
19
17
18
19
17
18
19
2
1
11
7
4
21
31
32
30
61
26
33
25
29
27
28
50
58
48
20
52
35
36
40
37
39
38
5
40
35
36
4
7
52
3
9
59
23
3
59

Related product manuals