EasyManua.ls Logo

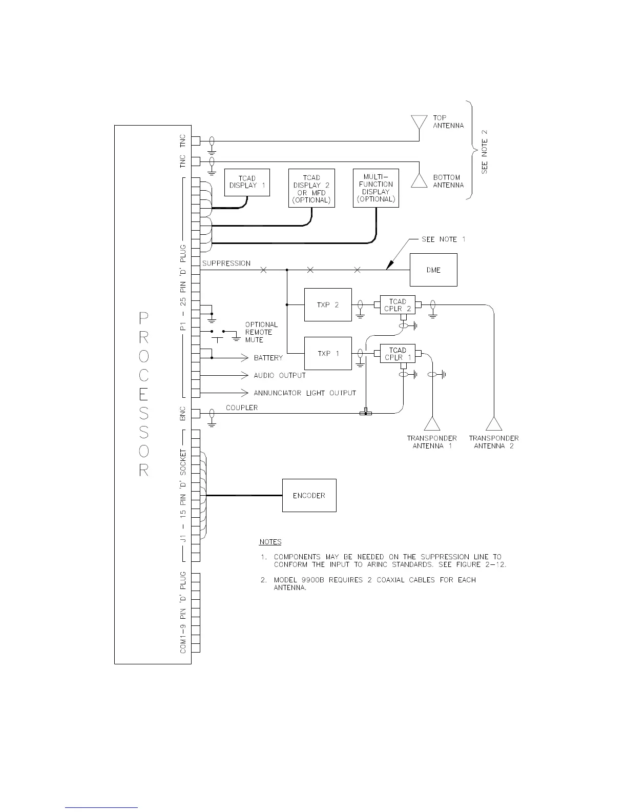
ryan TCAD 9900 - Block Diagram of Electrical Wiring

ryan TCAD 9900
68 pages
Print Icon
To Next Page IconTo Next Page
To Next Page IconTo Next Page
To Previous Page IconTo Previous Page
To Previous Page IconTo Previous Page
Loading...
Revision 4 - December 17,1998 Ryan TCAD 9900 Series Page 2-12
Figure 2-10 Block Diagram of Electrical Wiring

Related product manuals