EasyManua.ls Logo

Sailor AP5065 - Wiring to 24 V DC Supply

Sailor AP5065
24 pages
Print Icon
To Next Page IconTo Next Page
To Next Page IconTo Next Page
To Previous Page IconTo Previous Page
To Previous Page IconTo Previous Page
Loading...
13
0736
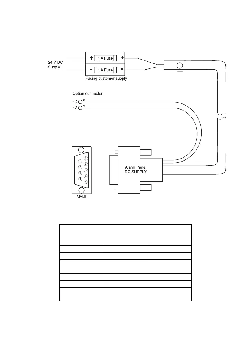
Wiring to 24V DC Supply
40716A
Alarm Panel Alarm Panel
DC Supply Designation Option
D-sub 9 way Connector
6 DC -
7DC +
8 INTER-COUT 12 (Note)
9 INTER-SOUT 13 (Note)
Cable type: 2 x 0.5mm2 screened.
Length: Max. 100m
Wiring: 2 x 0.2mm2.
Length: 0.15 - 0.2m
Note:
Interface supply used only if interconnecting 2 or 3 alarm panels - refer to page 8.