EasyManua.ls Logo

Sailor RT2047 - Page 101

Sailor RT2047
124 pages
Print Icon
To Next Page IconTo Next Page
To Next Page IconTo Next Page
To Previous Page IconTo Previous Page
To Previous Page IconTo Previous Page
Loading...
4 SERVICE RT2047 DSC - PART II
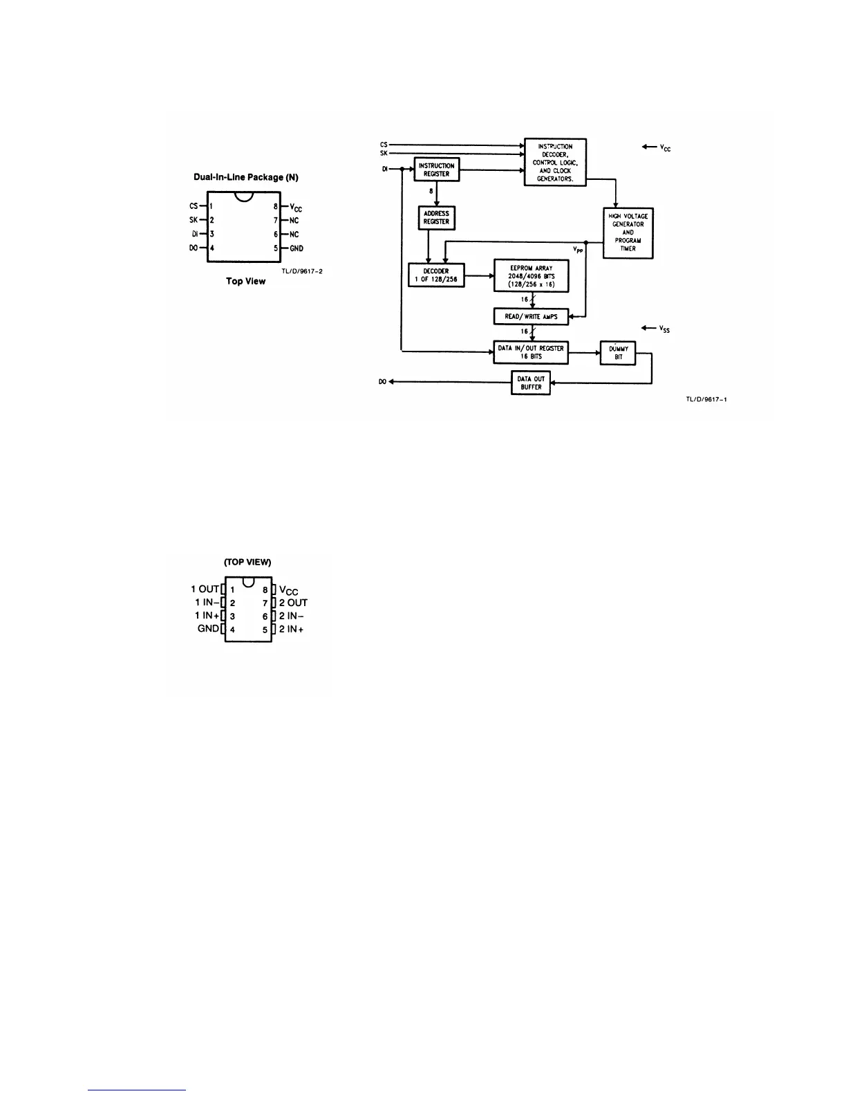
NMC93C56N
PIN ARRANGEMENT BLOCK DIAGRAM
LM393N
PIN ARRANGEMENT
PAGE 4-11
9545

Table of Contents

Related product manuals