EasyManua.ls Logo

Sailor RT2047 - Page 102

Sailor RT2047
124 pages
Print Icon
To Next Page IconTo Next Page
To Next Page IconTo Next Page
To Previous Page IconTo Previous Page
To Previous Page IconTo Previous Page
Loading...
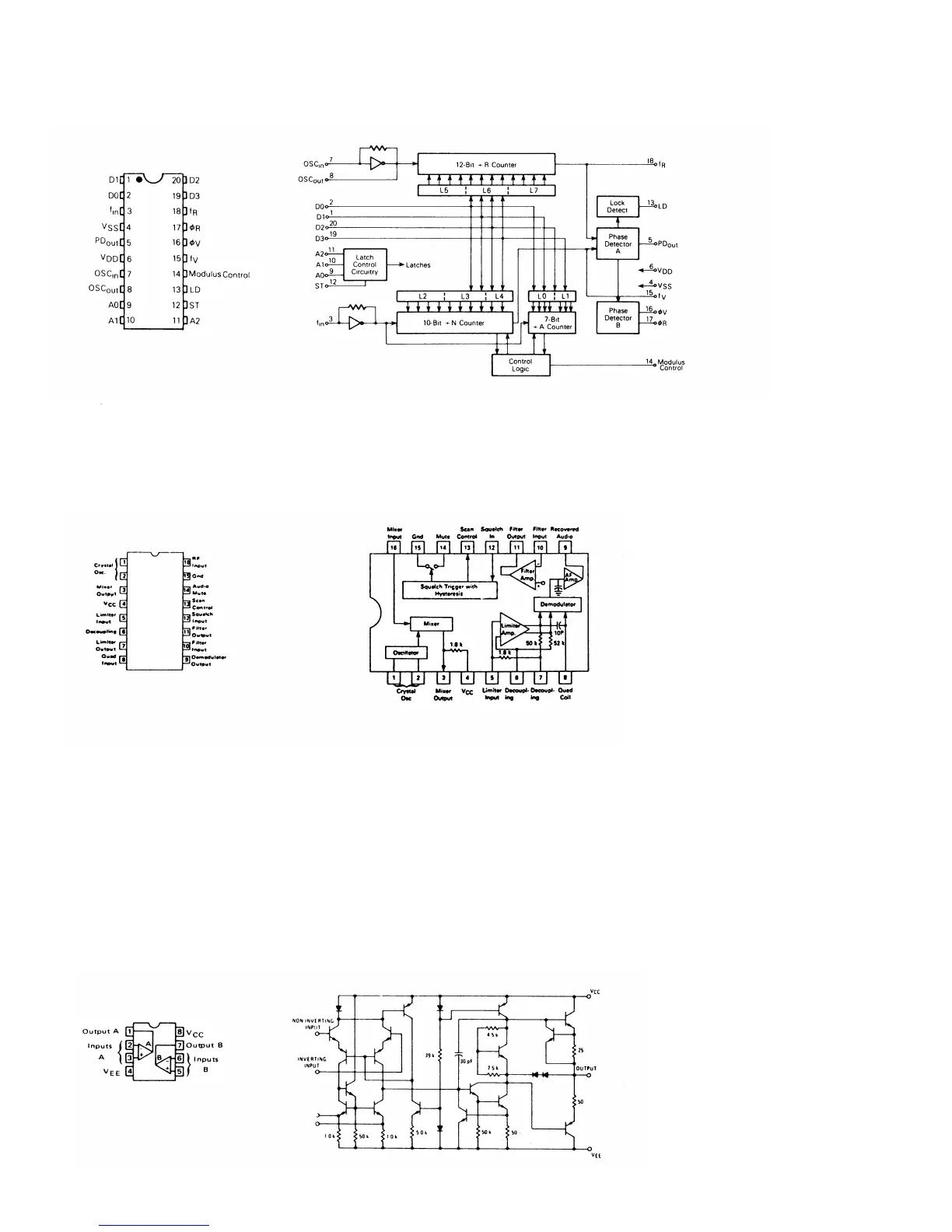
4 SERVICE RT2047 DSC - PART II
MC145146 4-BIT DATA BUS INPUT PLL FREQUENCY SYNTHESIZER
PIN ARRANGEMENT BLOCK DIAGRAM
MC3361 FM IF AMPLIFIER, LIMITER AND DETECTOR
PIN ARRANGEMENT BLOCK DIAGRAM
MC1458CP DUAL OPERATIONAL AMPLIFIER
CONNECTION DIAGRAM EQUIVALENT CIRCUIT SCHEMATIC
PAGE 4-12
9545

Table of Contents

Related product manuals