EasyManua.ls Logo

Sailor RT2047 - Page 106

Sailor RT2047
124 pages
Print Icon
To Next Page IconTo Next Page
To Next Page IconTo Next Page
To Previous Page IconTo Previous Page
To Previous Page IconTo Previous Page
Loading...
4 SERVICE RT2047 DSC - PART II
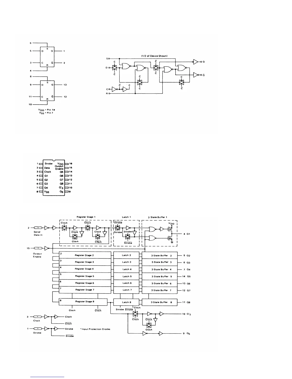
MC14013B DUAL TYPE D FLIP-FLOP
BLOCK DIAGRAM LOGIC DIAGRAM
MC14094B 8-STAGE SHIFT/STORE REGISTER
PIN ARRANGEMENT
BLOCK DIAGRAM
PAGE 4-16
9545

Table of Contents

Related product manuals