EasyManua.ls Logo

Sailor RT2047 - Page 107

Sailor RT2047
124 pages
Print Icon
To Next Page IconTo Next Page
To Next Page IconTo Next Page
To Previous Page IconTo Previous Page
To Previous Page IconTo Previous Page
Loading...
4 SERVICE RT2047 DSC - PART II
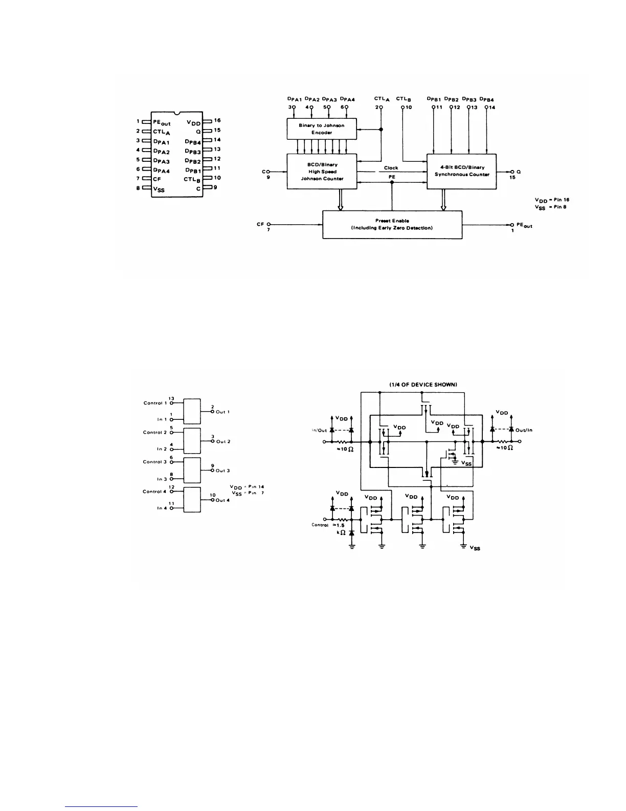
MC14569B HIGH SPEED PROGRAMABLE DIVIDE-BY-N DUAL 4 BIT BCD/BINARY COUNTER
PIN ARRANGEMENT BLOCK DIAGRAM
MC14066B QUAD ANALOG SWITCH QUAD MULTIPLEXER
BLOCK DIAGRAM CIRCUIT SCHEMATIC
PAGE 4-17
9545

Table of Contents

Related product manuals