EasyManua.ls Logo

Sailor RT2047 - Page 108

Sailor RT2047
124 pages
Print Icon
To Next Page IconTo Next Page
To Next Page IconTo Next Page
To Previous Page IconTo Previous Page
To Previous Page IconTo Previous Page
Loading...
4 SERVICE RT2047 DSC - PART II
PAGE 4-18
9545
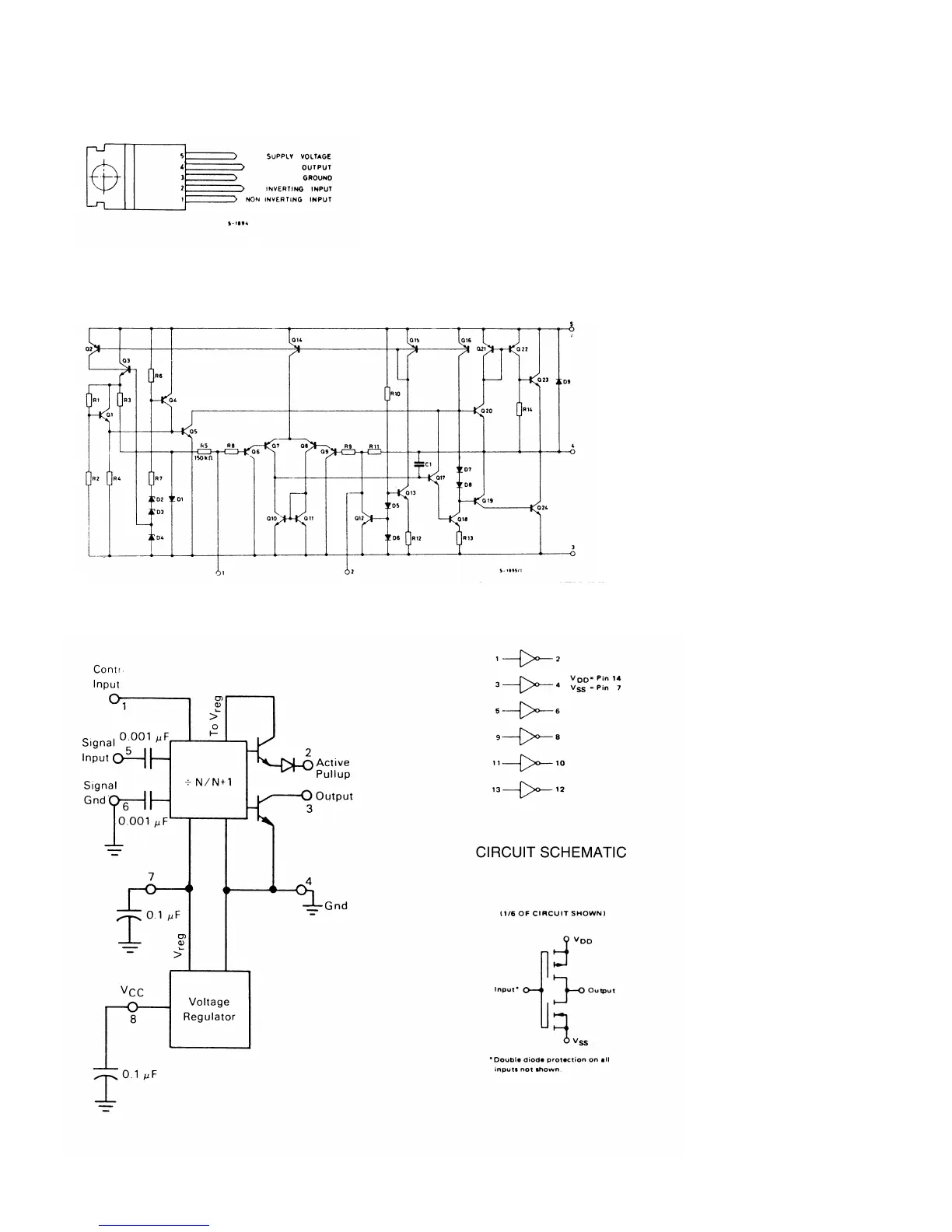
TDA2002 AF POWER AMP.
CONNECTION DIAGRAM
SCHEMATIC DIAGRAM
MC12015 TWO-MODULUS PRESCALER MC14069UB HEX INVERTER
PRESCALER BLOCK DIAGRAM LOGIC DIAGRAM
CIRCUIT SCHEMATIC

Table of Contents

Related product manuals