EasyManua.ls Logo

Sailor RT2048 VHF - 5.6. Interconnection Cable Diagram

Sailor RT2048 VHF
90 pages
Print Icon
To Next Page IconTo Next Page
To Next Page IconTo Next Page
To Previous Page IconTo Previous Page
To Previous Page IconTo Previous Page
Loading...
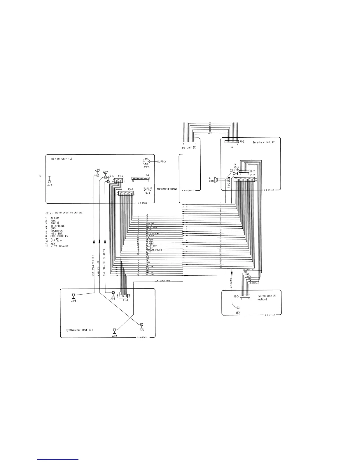
5 CIRCUIT DESCRIPTION AND SCHEMATIC DIAGRAMS RT2048
5.6. INTERCONNECTION CABLE DIAGRAM
RT2048B
4-0-25558B
0820
Page 5-20