EasyManua.ls Logo

Samson Trovis 5475-2 - Page 26

Samson Trovis 5475-2
64 pages
Print Icon
To Next Page IconTo Next Page
To Next Page IconTo Next Page
To Previous Page IconTo Previous Page
To Previous Page IconTo Previous Page
Loading...
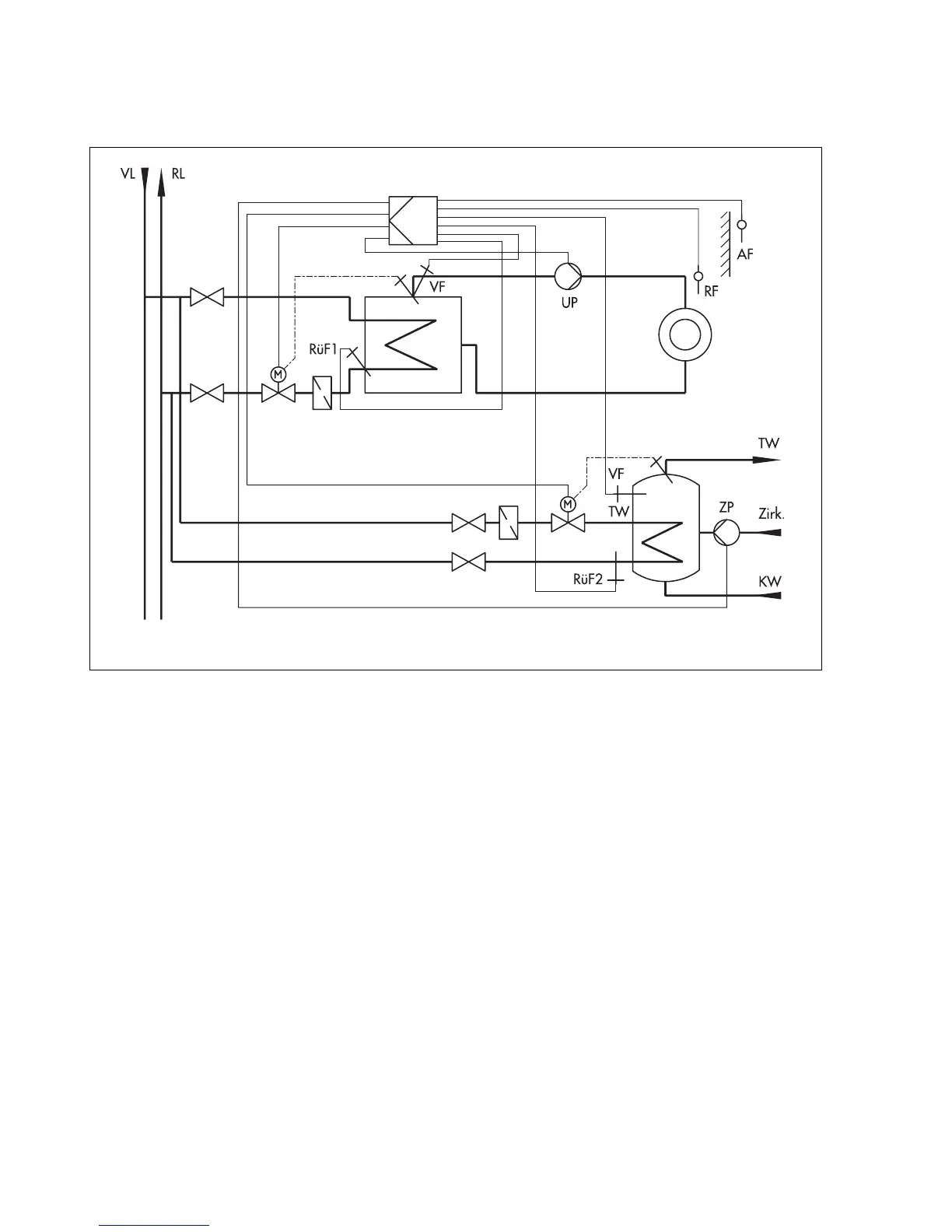
5.4 System code number 4.0
Weather-compensated flow temperature control with variable limitation of the return flow tem-
perature and drinking water heating with return flow temperature limitation from the primary
circuit, designed as storage tank water heater
Drinking water heating process
The drinking water control valve causes a more or less fast charging of the drinking water stor-
age tank from its closed position depending on the current system deviation and the set control
parameters when the drinking water temperature in the storage tank falls below the set point of
the Drinking water temperature.
Should the capacity available for a parallel operation of both circuits heating circuit and
drinking water circuit  be too low when the maximum capacity is required, the function block
FB 8 can be activated.
With the setting FB 8 = ON and the option "Ab" selected Drinking water priority through set-
back operationthe heating circuit is set to reduced operation for 20 minutes when there is a
system deviation of more than 5 K in the drinking water circuit: its capacity requirement is
moved back by reducing the current flow temperature by the value set in Set-back of flow tem-
perature for reduced operation.
With the setting FB 8 = ON and the option "In" selected Drinking water priority through
reverse control the capacity requirement of the heating circuit is reduced when there is a sys-
tem deviation of more than 5 K in the drinking water circuit. This is achieved by the three-point
stepping output of the drinking water circuit having an effect on the heating circuits control
valve in the opposite direction. The time span before the priority mode responds can be set in
Fb8.
Fig. 17
Anl 4.0
(system code number 4.0)
26

Related product manuals