EasyManua.ls Logo

Samson Txm16 - Block Diagram

Samson Txm16
32 pages
Print Icon
To Next Page IconTo Next Page
To Next Page IconTo Next Page
To Previous Page IconTo Previous Page
To Previous Page IconTo Previous Page
Loading...
26
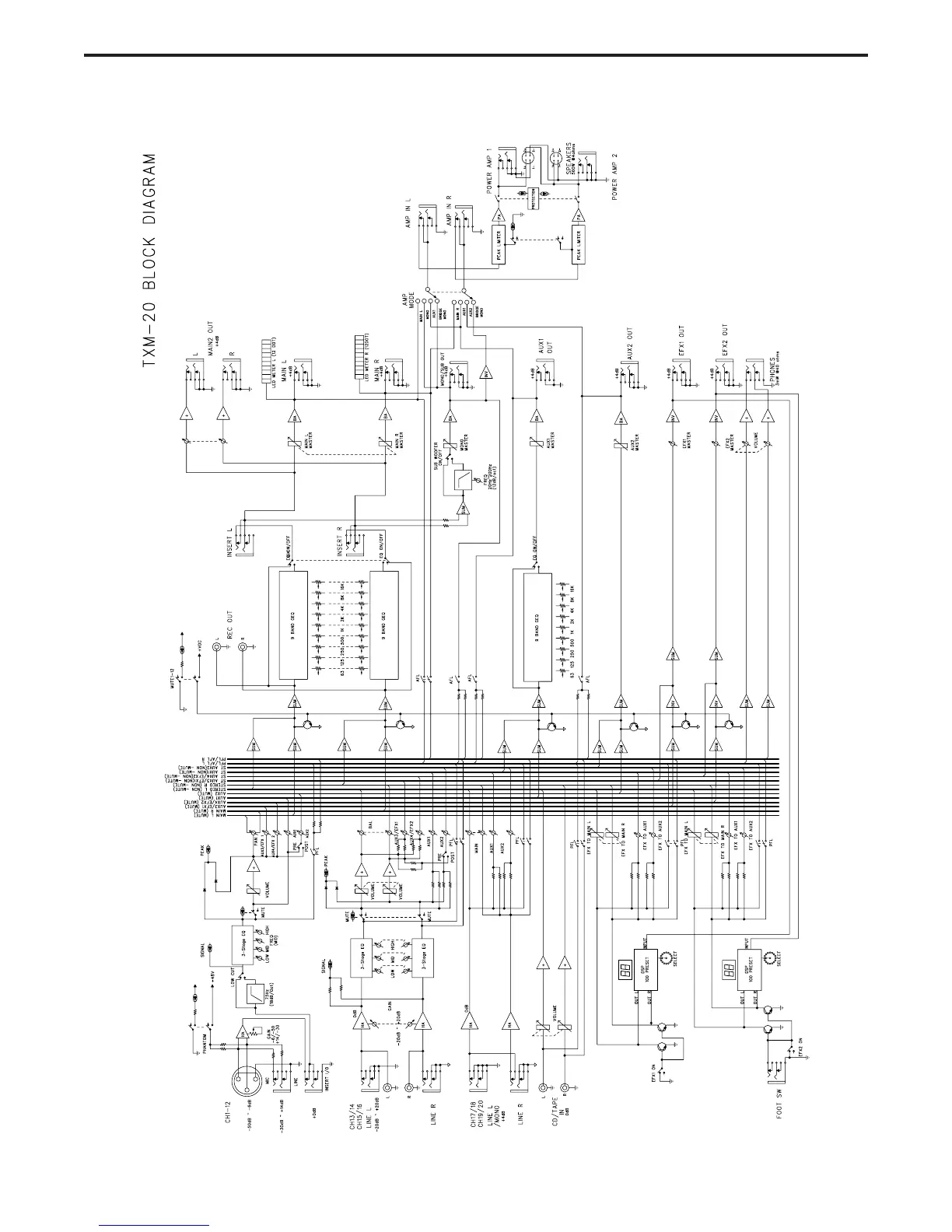
Block Diagram

Other manuals for Samson Txm16

Related product manuals