EasyManua.ls Logo

Samson Txm16 - TXM16 and TXM20 Wiring Guide

Samson Txm16
32 pages
Print Icon
To Next Page IconTo Next Page
To Next Page IconTo Next Page
To Previous Page IconTo Previous Page
To Previous Page IconTo Previous Page
Loading...
24
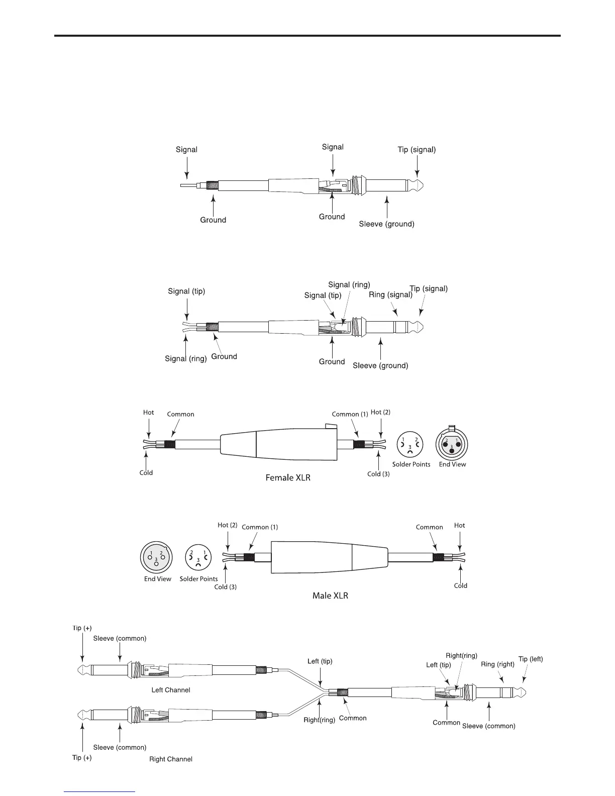
TXM16 and TXM20 Wiring Guide
Unbalanced 1/4” Connector
XLR Balanced Wiring Guide
CONNECTING THE TXM16 and TXM20
There are several ways to interface the TXM16 and TXM20 to support a variety of applications. The TXM16 and TXM20
feature balanced inputs and outputs, so connecting balanced and unbalanced signals is possible.
Balanced TRS 1/4” Connector
1/4” Insert Cable

Other manuals for Samson Txm16

Related product manuals