EasyManua.ls Logo

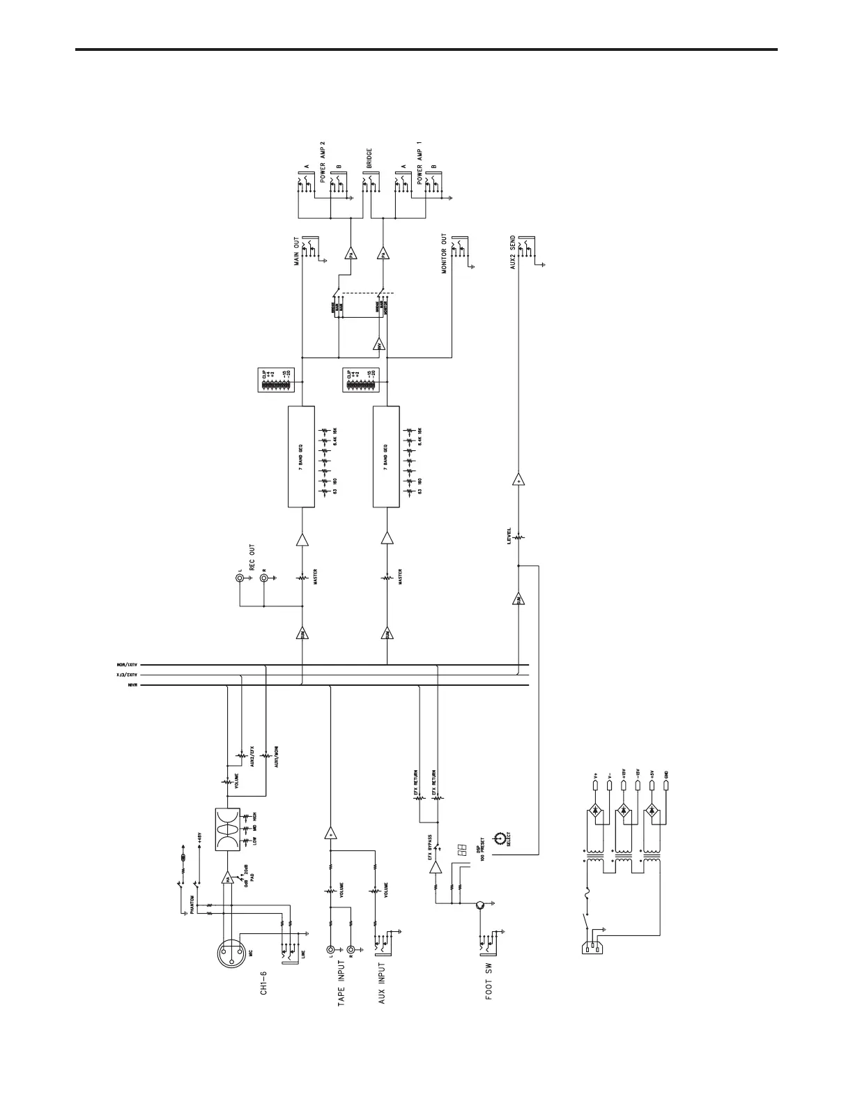
Samson XM610 - System Block Diagram; System Signal Flow Diagram

Samson XM610
24 pages
Print Icon
To Next Page IconTo Next Page
To Next Page IconTo Next Page
To Previous Page IconTo Previous Page
To Previous Page IconTo Previous Page
Loading...
20
Block Diagram

Related product manuals