EasyManua.ls Logo

Samsung 430 - Anynet

Samsung 430
72 pages
Print Icon
To Next Page IconTo Next Page
To Next Page IconTo Next Page
To Previous Page IconTo Previous Page
To Previous Page IconTo Previous Page
Loading...
26
Español
Funciones avanzadas
Anynet+
¿Qué es Anynet+?
t
Anynet+ es una función que permite controlar con el mando a distancia del televisor Samsung todos los dispositivos de Samsung
conectados que sean compatibles con Anynet+. El sistema Anynet+ sólo se puede usar con dispositivos de Samsung que tengan la función
Anynet+. Para asegurarse de que el dispositivo de Samsung tenga dicha función, compruebe si lleva el logotipo Anynet+.
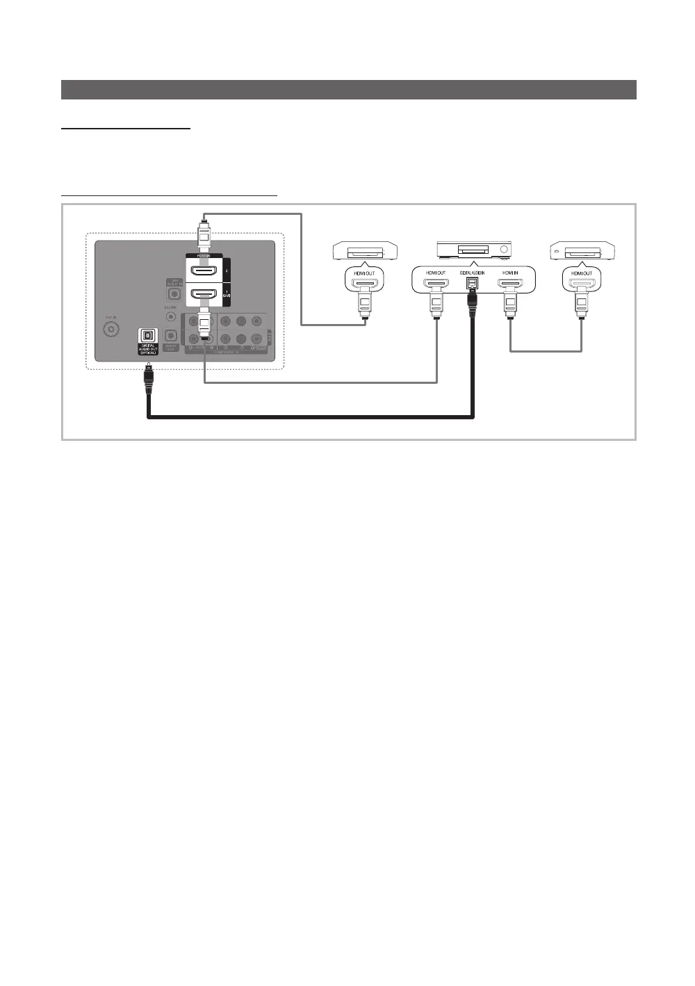
Para conectar al sistema Home Theater Samsung
1. Conecte los terminales HDMI IN (1(DVI) o 2) del televisor y el terminal HDMI OUT del dispositivo Anynet+ correspondiente mediante un
cable HDMI.
2. Conecte el terminal HDMI IN del sistema Home Theater y el terminal HDMI OUT del dispositivo Anynet+ correspondiente mediante un
cable HDMI.
NOTA
x
Conecte el cable óptico entre el terminal DIGITAL AUDIO OUT (OPTICAL) del televisor y el terminal Digital Audio Input del sistema
Home Cinema.
x
Si se sigue la conexión anterior, el terminal Optical sólo produce la salida de 2 canales de audio. Sólo oirá sonido de los
altavoces frontales izquierdo y derecho y el subwoofer del sistema Home Theater. Para escuchar el canal de audio 5.1, conecte el
terminal DIGITAL AUDIO OUT (OPTICAL) del DVD/decodificador de satélite (es decir, dispositivo Anynet 1 o 2) directamente al
amplificador o al sistema Home Theater, no al televisor.
x
Puede conectar sólo un sistema Home Theater.
x
Puede conectar un dispositivo Anynet+ mediante el cable HDMI. Algunos cables HDMI pueden no admitir las funciones Anynet+.
x
Anynet+ funciona cuando el dispositivo de AV que admite Anynet+ se encuentra en estado de espera o de encendido.
x
Anynet+ admite hasta 12 dispositivos de AV en total. Tenga en cuenta que puede conectar hasta 3 dispositivos del mismo tipo.
Panel posterior del TV
Home Theater
Optical Cable
Cable HDMI
Dispositivo
Anynet+ 2
Dispositivo
Anynet+ 1
Cable HDMI
HDMI Cable
[PC430_Mexico]BN68-02642A-05L02.indb 26 2010-07-23 오후 1:57:59

Table of Contents

Related product manuals