EasyManua.ls Logo

Samsung CS29A6WT8X/BWT - Power Diagram; Block Diagrams

Samsung CS29A6WT8X/BWT
58 pages
Print Icon
To Next Page IconTo Next Page
To Next Page IconTo Next Page
To Previous Page IconTo Previous Page
To Previous Page IconTo Previous Page
Loading...
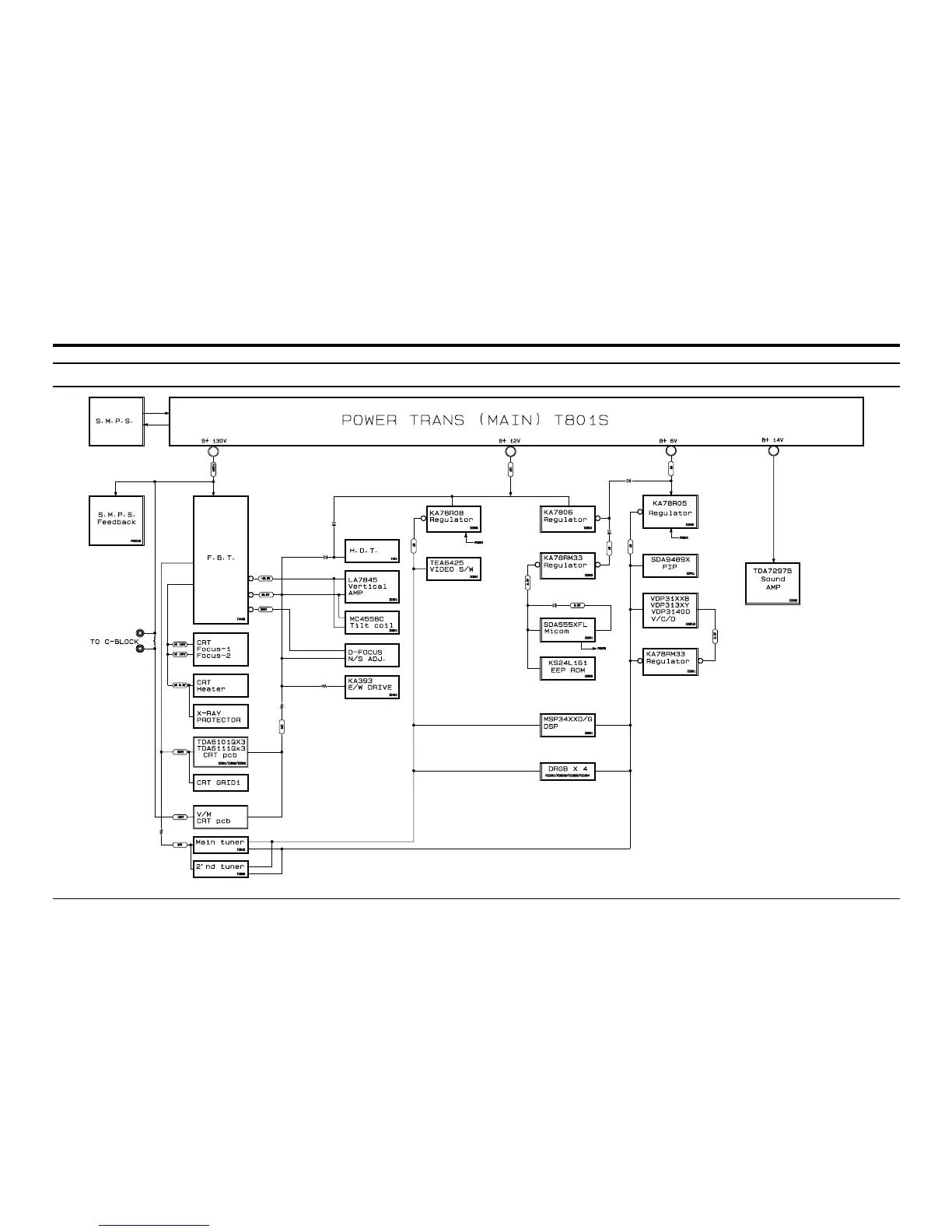
8. Block Diagrams
Samsung Electronics
Schematic Diagrams
8-1
8-1 Power Diagram

Related product manuals