EasyManua.ls Logo

Samsung Generation 6 - Page 55

Samsung Generation 6
88 pages
Print Icon
To Next Page IconTo Next Page
To Next Page IconTo Next Page
To Previous Page IconTo Previous Page
To Previous Page IconTo Previous Page
Loading...
Heat Pump Installation Guide
55
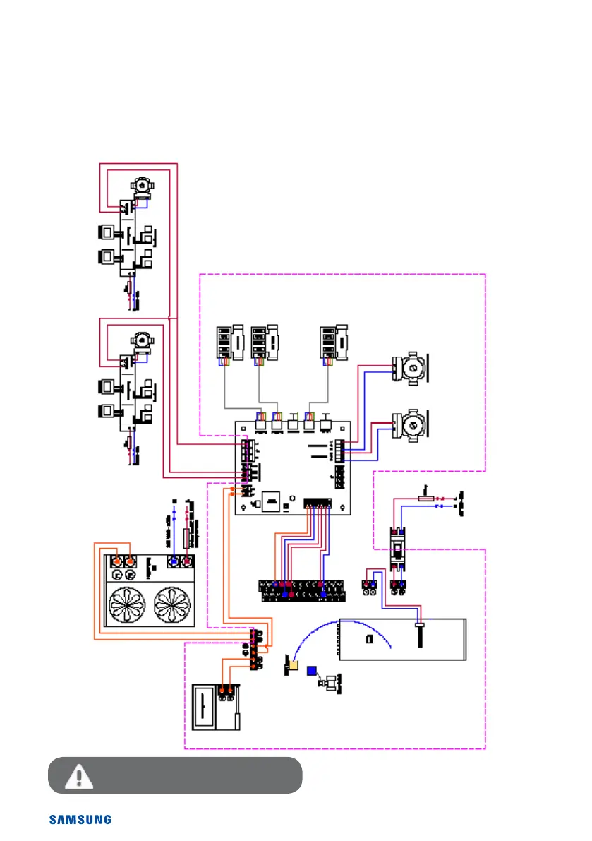
Legend
1
Joule SmartPlumb
Compact Cylinder
2
Samsung Monobloc
Heat Pump
3
28mm Y-Strainer
4
Flow regulator/Flush &
Fill Unit
5
Automatic Air Vents
6
UFH Circulation Pump
7
Automatic Bypass Valve
8
Heating Expansion
Vessel
9
Primary Circulating
Pump
10
Heating System Circula-
tion Pump
11
Hot Water Zone Valve
12
Heating Zone 1 Valve
13
Heating Zone 2 Valve
Electrical Schematic - 3 Zone
Smart Plumb Compact Installation
2 Heating & 1 Domestic Hot Water
Wiring inside broken line is prewired

Related product manuals