EasyManua.ls Logo

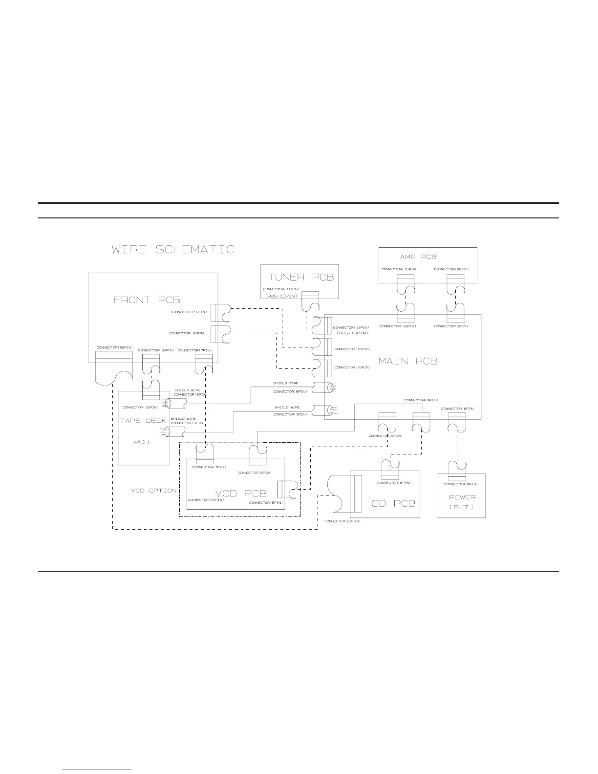
Samsung MAX-VB630 - Wiring Diagram; Internal Wiring Schematic

Samsung MAX-VB630
28 pages
Print Icon
To Next Page IconTo Next Page
To Next Page IconTo Next Page
To Previous Page IconTo Previous Page
To Previous Page IconTo Previous Page
Loading...
Samsung Electronics 6-1
6. Wiring Diagram

Related product manuals