EasyManua.ls Logo

Samsung MH068FXEA4 - Refrigerating Cycle Diagram - MH040 FXEA2;MH052 FXEA2;...;MH18 VW2 X

Samsung MH068FXEA4
208 pages
Print Icon
To Next Page IconTo Next Page
To Next Page IconTo Next Page
To Previous Page IconTo Previous Page
To Previous Page IconTo Previous Page
Loading...
Samsung Electronics9-3
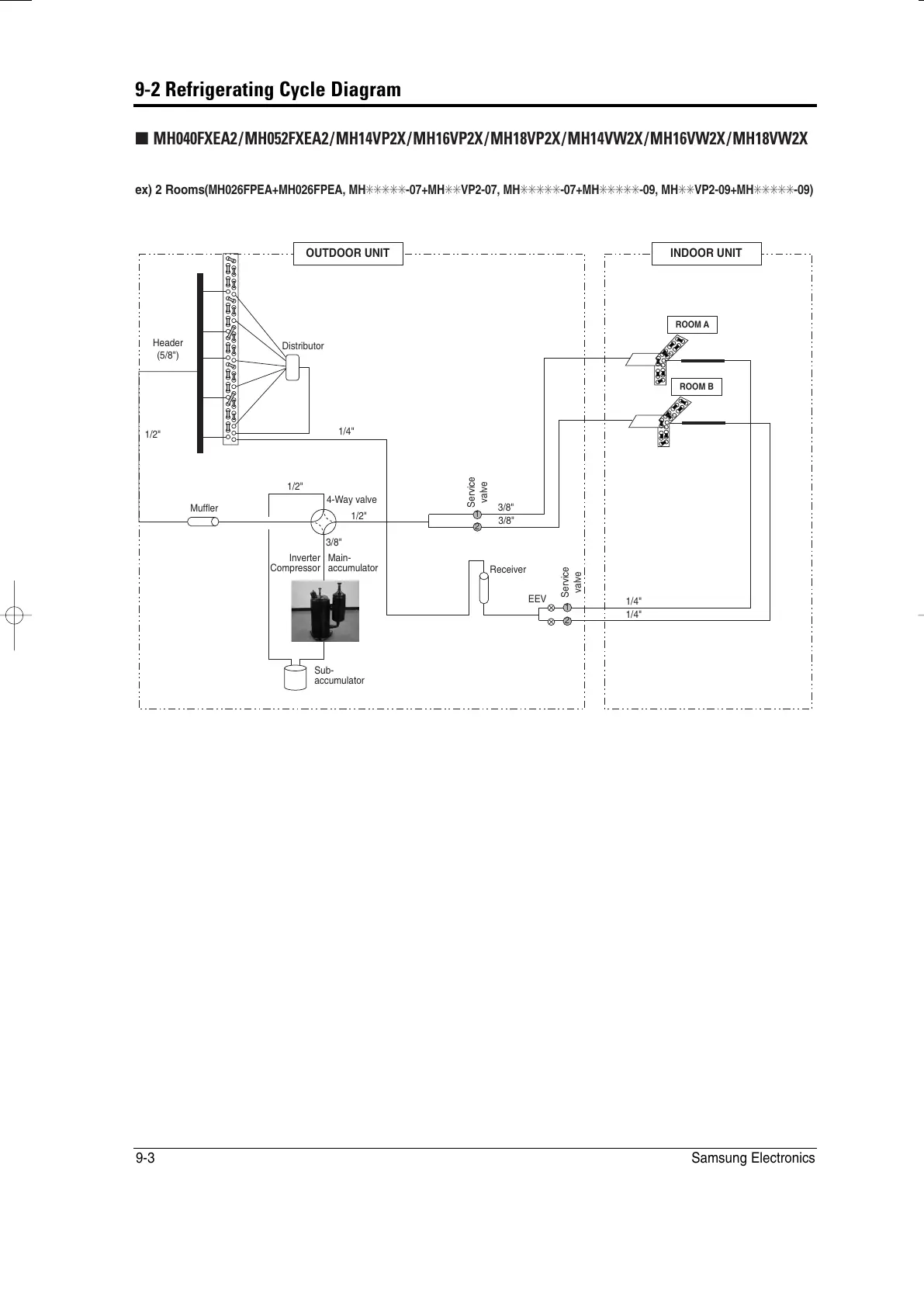
9-2 Refrigerating Cycle Diagram
ex) 2 Rooms
(MH026FPEA+MH026FPEA, MH✳✳✳✳✳-07+MH✳✳VP2-07, MH✳✳✳✳✳-07+MH✳✳✳✳✳-09, MH✳✳VP2-09+MH✳✳✳✳✳-09)
MH040FXEA2/MH052FXEA2/MH14VP2X/MH16VP2X/MH18VP2X/MH14VW2X/MH16VW2X/MH18VW2X
24296A(1)_2 11/11/05 5:06 PM Page 8-12