EasyManua.ls Logo

Samsung MH068FXEA4 - Refrigerating Cycle Diagram - MH19 VP2 X;MH19 VW2 X

Samsung MH068FXEA4
208 pages
Print Icon
To Next Page IconTo Next Page
To Next Page IconTo Next Page
To Previous Page IconTo Previous Page
To Previous Page IconTo Previous Page
Loading...
9-4Samsung Electronics
Circuit Descriptions
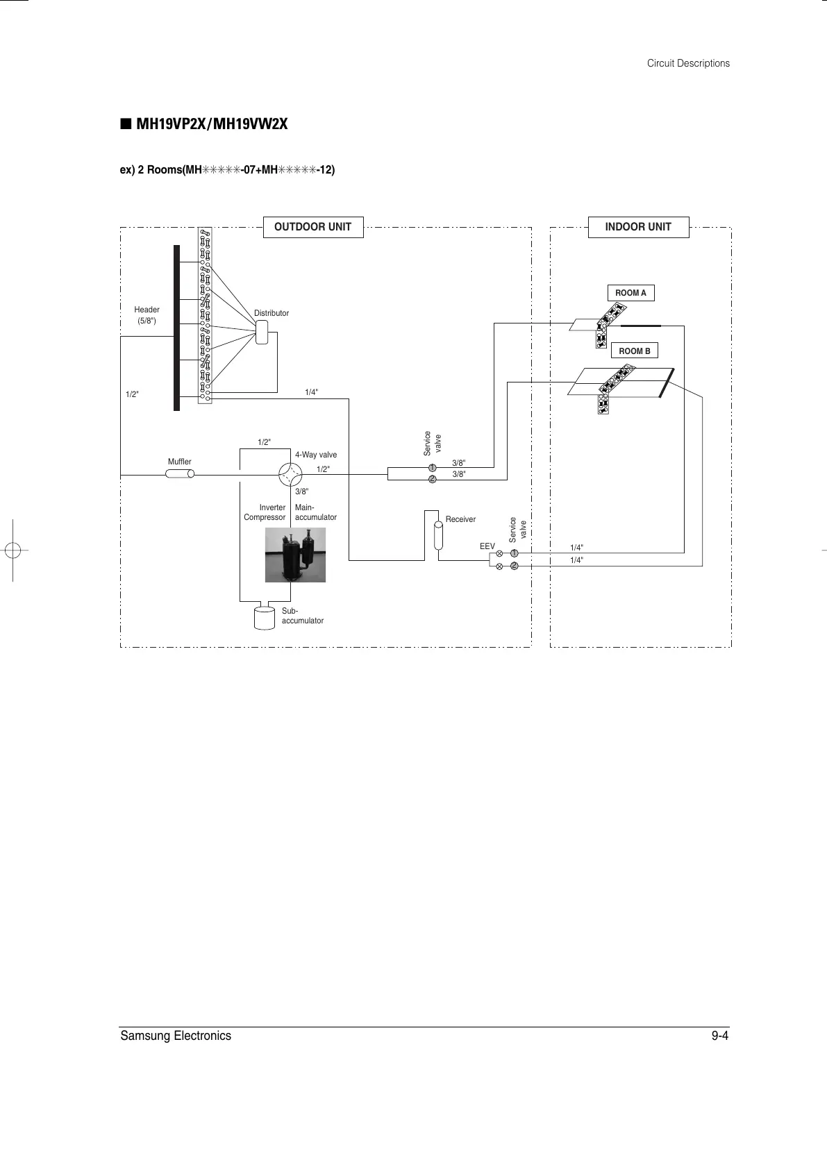
MH19VP2X/MH19VW2X
ex) 2 Rooms(MH✳✳✳✳✳-07+MH✳✳✳✳✳-12)
1/4"
1/2"
Header
(5/8")
Distributor
3/8"
3/8"
Service
valve
Service
valve
Receiver
1/4"
1/4"
EEV
OUTDOOR UNIT INDOOR UNIT
ROOM A
ROOM B
Sub-
accumulator
1/2"
1/2"
2
1
1
2
4-Way valve
Inverter
Compressor
Main-
accumulator
3/8"
Muffler
24296A(1)_2 11/11/05 5:06 PM Page 8-13