EasyManua.ls Logo

Samsung MH068FXEA4 - Refrigerating Cycle Diagram - MH30 VP2 X;MH30 VW2 X

Samsung MH068FXEA4
208 pages
Print Icon
To Next Page IconTo Next Page
To Next Page IconTo Next Page
To Previous Page IconTo Previous Page
To Previous Page IconTo Previous Page
Loading...
Samsung Electronics9-5
Circuit Descriptions
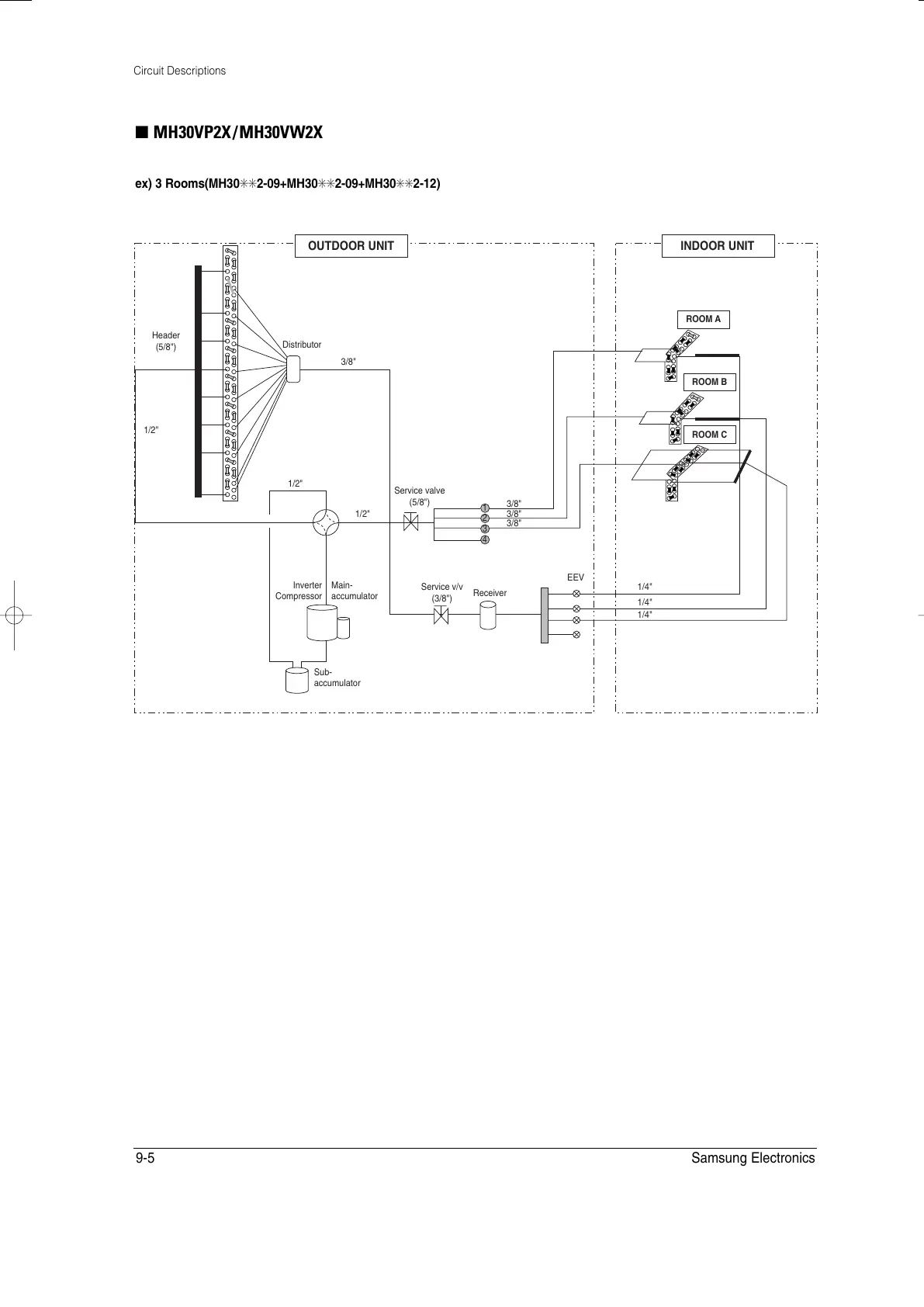
MH30VP2X/MH30VW2X
ex) 3 Rooms(MH30✳✳2-09+MH30✳✳2-09+MH30✳✳2-12)
Inverter
Compressor
Main-
accumulator
Sub-
accumulator
1/2"
3/8"
1/2"
Service valve
(5/8")
Header
(5/8")
Distributor
3/8"
3/8"
3/8"
Service v/v
(3/8")
Receiver
1/2"
1/4"
1/4"
1/4"
EEV
1
2
3
4
OUTDOOR UNIT INDOOR UNIT
ROOM A
ROOM B
ROOM C
24296A(1)_2 11/11/05 5:06 PM Page 8-14