EasyManua.ls Logo

Samsung MX-J730 - Main-2

Samsung MX-J730
54 pages
Print Icon
To Next Page IconTo Next Page
To Next Page IconTo Next Page
To Previous Page IconTo Previous Page
To Previous Page IconTo Previous Page
Loading...
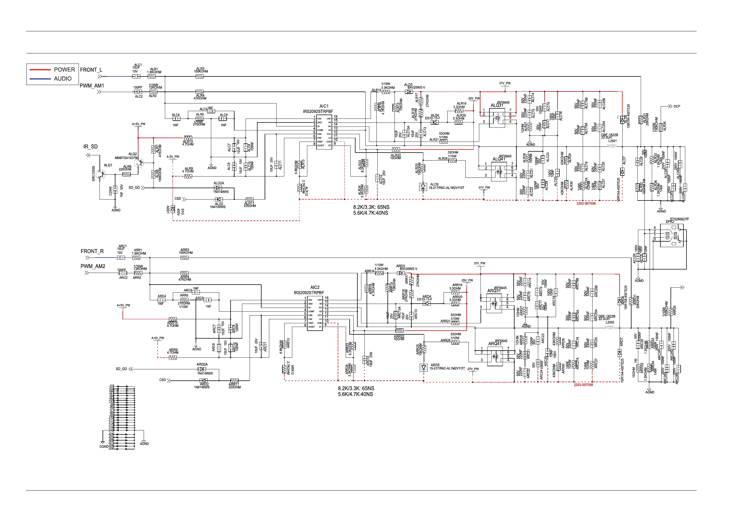
6.SchematicDiagram
6.6.MAIN-2
6-6Copyright©1995-2013SAMSUNG.Allrightsreserved.

Other manuals for Samsung MX-J730

Related product manuals