EasyManua.ls Logo

Samsung RB2155BB - 10-6) Key Scan and Display Circuit

Samsung RB2155BB
62 pages
Print Icon
To Next Page IconTo Next Page
To Next Page IconTo Next Page
To Previous Page IconTo Previous Page
To Previous Page IconTo Previous Page
Loading...
30
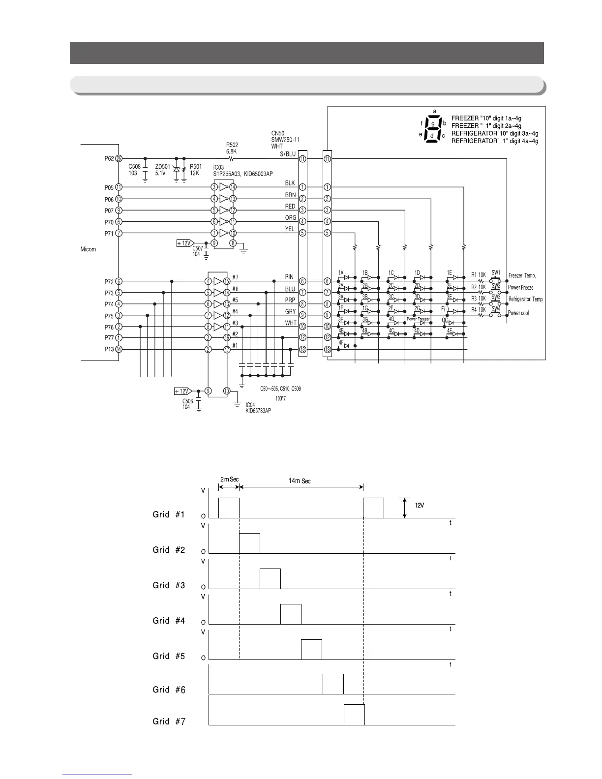
Circuit Descriptions
If the IC04 decorder(KID65783AD) receives signals from MLCOM pins(34-6), an output signal per
2 miliseconds comes out from Grid#1-#7. A step DC12 volt peak will be generated periodically as
follows:
10-6) Key Scan and Display Circuit

Related product manuals